目录

银杏科技有限公司旗下技术文档发布平台
技术支持电话0379-69926675-801
技术支持邮件Gingko@vip.163.com
版本 日期 作者 修改内容
V1.0 2020-03-12 gingko 初次建立

STM32CubeMX教程三十——USB_MSC实验

1.在主界面选择File–>New Project 或者直接点击ACCEE TO MCU SELECTOR。 2.出现芯片型号选择,搜索自己芯片的型号,双击型号,或者点击Start Project进入配置在搜索栏的下面,提供的各 种查找方式,可以选择芯片内核,型号,等等,可以帮助你查找芯片。本实验选取的芯片型号为:STM32H750IBKx。 3.配置RCC,使用外部时钟源。 4.时基源选择SysTick。 5.将PA10,PB7,PB8设置为GPIO_Output。 6.引脚模式配置。 7.配置串口。 在NVIC Settings一栏使能接收中断。 引脚配置 8.配置USB_OTG_HS。 9.配置USB_HOST。 10.配置FATFS。 11.时钟源设置,选择外部高速时钟源,配置为最大主频。 12.工程文件的设置, 这里就是工程的各种配置 我们只用到有限几个,其他的默认即可 IDE我们使用的是 MDK V5.27。 13.点击Code Generator,进行进一步配置。

14.然后点击GENERATE CODE 创建工程。 创建成功,打开工程。

实验三十:USB_MSC实验——读/写U盘(大容量存储器)

一、 实验目的与意义

  1. 了解STM32 USB HOST结构。
  2. 了解STM32 USB HOST特征。
  3. 掌握USB HOST MSC的使用方法。
  4. 掌握STM32 HAL库中USB HOST属性的配置方法。
  5. 掌握KEILMDK 集成开发环境使用方法。

二、 实验设备及平台

  1. iCore4T 双核心板。点击购买
  2. JLINK(或相同功能)仿真器。点击购买
  3. Micro USB线缆。
  4. Keil MDK 开发平台。
  5. STM32CubeMX开发平台。
  6. 装有WIN XP(及更高版本)系统的计算机。

三、 实验原理

1.USB简介

2.OTG主要特性

3.OTG框图

4.OTG_HS中断

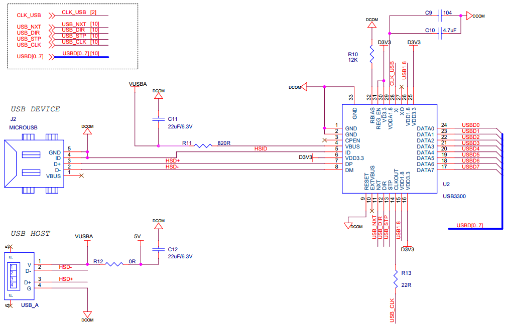
5.原理图

四、 实验程序

1.主函数

int main(void)
{
    HAL_Init();
    SystemClock_Config();
    i2c.initialize();
    axp152.initialize();
    axp152.set_dcdc1(3500);//[ARM & FPGA BK1/2/6 &OTHER]
    axp152.set_dcdc2(1200);//[FPGA INT & PLL D]
    axp152.set_aldo1(2500);//[FPGA PLL A]
    axp152.set_dcdc4(3300);//[POWER_OUTPUT]
    axp152.set_dcdc3(3300);//[FPGA BK4][Adjustable]
    axp152.set_aldo2(3300);//[FPGA BK3][Adjustable]
    axp152.set_dldo1(3300);//[FPGA BK7][Adjustable]
    axp152.set_dldo2(3300);//[FPGA BK5][Adjustable]
 
    HAL_Delay(200);
    MX_GPIO_Init();
    MX_FATFS_Init();
    MX_USB_HOST_Init();
    MX_USART2_UART_Init();
    LED_ON;
    usart2.printf("\x0c");                  //清屏
    usart2.printf("\033[1;32;40m");         //设置终端字体为绿色
    usart2.printf("\r\nHello, I am iCore4T.\r\n"); 
    while (1)
    {
      MX_USB_HOST_Process();
     }
 }

2.USB_HOST初始化函数

void MX_USB_HOST_Init(void)
{
  /* 初始化主机库,添加支持的类并启动该库 */
  if (USBH_Init(&hUsbHostHS, USBH_UserProcess, HOST_HS) != USBH_OK)
  {
    Error_Handler();
  }
  if (USBH_RegisterClass(&hUsbHostHS, USBH_MSC_CLASS) != USBH_OK)
  {
    Error_Handler();
  }
  if (USBH_Start(&hUsbHostHS) != USBH_OK)
  {
    Error_Handler();
  }
}

3.USBH_UserProcess函数

static void USBH_UserProcess  (USBH_HandleTypeDef *phost, uint8_t id)
{
    int i,j;
    static FRESULT res;
    unsigned char write_buffer[512];
    unsigned char read_buffer[512];
    unsigned int counter;
 
    switch(id)
    {
    case HOST_USER_SELECT_CONFIGURATION:
    break;
case HOST_USER_DISCONNECTION:
    Appli_state = APPLICATION_DISCONNECT;
    break;
    case HOST_USER_CLASS_ACTIVE:
    Appli_state = APPLICATION_READY;
    //f_mount
    res = f_mount(&fatfs,"0:",1);
    if(res != RES_OK){
        USBH_UsrLog("\r\nf_mount error!");
        while(1){
            LED_ON;
            HAL_Delay(500);
            LED_OFF;
            HAL_Delay(500);    
        }
    }else{
        USBH_UsrLog("\r\nf_mount successful!");
    }   
    //f_open
    for(i = 0; i < 512 ; i ++)write_buffer[i] = i % 256;
    res = f_open(&file,"0:/test.txt",FA_READ | FA_WRITE | FA_OPEN_ALWAYS);   //打开驱动器0上的源文件
     if(res != RES_OK){
        USBH_UsrLog("f_open error!");
        while(1){
            LED_ON;
            HAL_Delay(500);
            LED_OFF;
            HAL_Delay(500);     
        }
    }else{
        USBH_UsrLog("f_open successful!");
    }
    //f_lseek
    res = f_lseek(&file,0);
    if(res != RES_OK){
        USBH_UsrLog("f_lseek error!");
        while(1){
            LED_ON;
            HAL_Delay(500);
            LED_OFF;
            HAL_Delay(500);     
        }   
    }else{
        USBH_UsrLog("f_lseek successful!");
    }
    //f_write
    res = f_write(&file,write_buffer,512,&counter);
    if(res != RES_OK || counter != 512){
        USBH_UsrLog("f_write error!");
        while(1){
            LED_ON;
            HAL_Delay(500);
            LED_OFF;
            HAL_Delay(500);     
        }
    }else{
        USBH_UsrLog("f_write successful!");
    }
    //f_lseek
    res = f_lseek(&file,0);
    if(res != RES_OK){
        USBH_UsrLog("f_lseek error!");
        while(1){
            LED_ON;
            HAL_Delay(500);
            LED_OFF;
            HAL_Delay(500);     
        }   
    }else{
        USBH_UsrLog("f_lseek successful!");
    }
    //f_read
    res = f_read(&file,read_buffer,512,&counter); 
    if(res != RES_OK || counter != 512){
        USBH_UsrLog("f_read error!");
        while(1){
            LED_ON;
            HAL_Delay(500);
            LED_OFF;
            HAL_Delay(500);     
        }   
    }else{
        USBH_UsrLog("f_read successful!");
    }
    f_close(&file);
    USBH_UsrLog("read data:");
    for(i = 0;i < 32;i++){
        for(j = 0; j < 16; j ++)
            usart2.printf("%02X ",read_buffer[i*16+j]);
        usart2.printf("\r\n");
    }   
  break;
  case HOST_USER_CONNECTION:
  Appli_state = APPLICATION_START;
  break;
  default:
  break;
  }
}

五、 实验步骤

  1. 把仿真器与iCore4T的SWD调试口相连(直接相连或者通过转接器相连);
  2. 把iCore4T通过Micro USB线与计算机相连,为iCore4T供电;
  3. 打开PuTTY串口终端;
  4. 打开Keil MDK 开发环境,并打开本实验工程;
  5. 烧写程序到iCore4T上;
  6. 也可以进入Debug 模式,单步运行或设置断点验证程序逻辑。

六、 实验现象