目录

银杏科技有限公司旗下技术文档发布平台
技术支持电话0379-69926675-801
技术支持邮件Gingko@vip.163.com
版本 日期 作者 修改内容
V1.0 2020-03-14 gingko 初次建立




STM32CubeMX教程三十三——USBD_MSC实验


1.在主界面选择File–>New Project 或者直接点击ACCEE TO MCU SELECTOR 2.出现芯片型号选择,搜索自己芯片的型号,双击型号,或者点击Start Project进入配置 在搜索栏的下面,提供的各 种查找方式,可以选择芯片内核,型号,等等,可以帮助你查找芯片。本实验选取的芯片型号为:STM32H750IBKx。 3.配置RCC,使用外部时钟源 4.时基源选择SysTick 5.将PA10,PB7,PB8设置为GPIO_Output 6.引脚模式配置 7.配置USB_OTG_HS 8.配置USB_DEVICE 9.配置QUADAPI 引脚配置 10.时钟源设置,选择外部高速时钟源,配置为最大主频 11.工程文件的设置, 这里就是工程的各种配置 我们只用到有限几个,其他的默认即可 IDE我们使用的是 MDK V5.27 12.点击Code Generator,进行进一步配置

13.然后点击GENERATE CODE 创建工程 创建成功,打开工程。


实验三十三:USBD_MSC实验——虚拟U盘(SPI FLASH)

一、 实验目的与意义

  1. 了解STM32 USB SLAVE结构。
  2. 了解STM32 USB SLAVE特征。
  3. 掌握USB SLAVE MSC的使用方法。
  4. 掌握STM32 HAL库中QUADSPI属性的配置方法。
  5. 掌握KEIL MDK 集成开发环境使用方法。

二、 实验设备及平台

  1. iCore4T 双核心板。
  2. JLINK(或相同功能)仿真器。
  3. Micro USB线缆。
  4. Keil MDK 开发平台。
  5. STM32CubeMX开发平台。
  6. 装有WIN XP(及更高版本)系统的计算机。

三、 实验原理

1.SPI FLASH简介

2.MSC简介

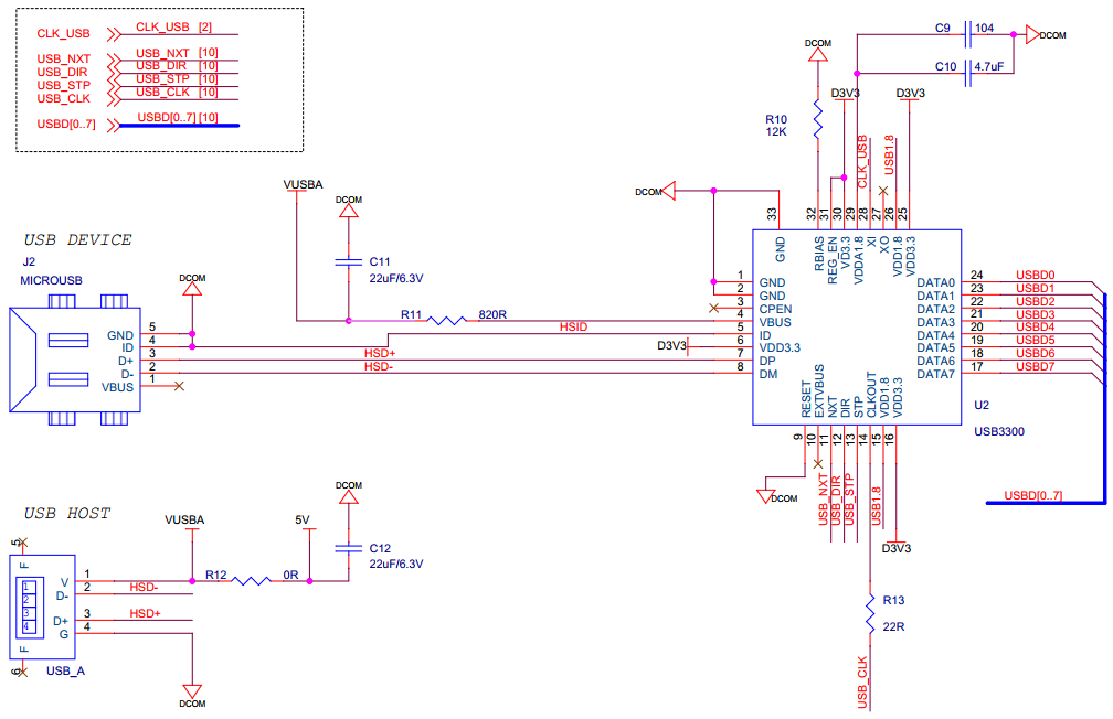
3.原理图

四、 实验程序

1.主函数

int main(void)
{
    HAL_Init();
    SystemClock_Config();
 
    i2c.initialize();
    axp152.initialize();
    axp152.set_dcdc1(3500);//[ARM & FPGA BK1/2/6 &OTHER]
    axp152.set_dcdc2(1200);//[FPGA INT & PLL D]
    axp152.set_aldo1(2500);//[FPGA PLL A]
    axp152.set_dcdc4(3300);//[POWER_OUTPUT]
    axp152.set_dcdc3(3300);//[FPGA BK4][Adjustable]
    axp152.set_aldo2(3300);//[FPGA BK3][Adjustable]
    axp152.set_dldo1(3300);//[FPGA BK7][Adjustable]
    axp152.set_dldo2(3300);//[FPGA BK5][Adjustable]
 
    HAL_Delay(200);
    MX_GPIO_Init();
    MX_QUADSPI_Init();
    MX_USB_DEVICE_Init();
    LED_ON;
    BSP_QSPI_Init();
    while (1)
    {
    }
}
 

2.QUADSPI初始化函数

本实验中QSPI我们只是用到了配置的IO,参数没有用到。

uint8_t BSP_QSPI_Init(void)
{
  QSPIHandle.Instance = QUADSPI;
   /* 调用DeInit函数重置驱动程序 */  
  if (HAL_QSPI_DeInit(&QSPIHandle) != HAL_OK)
  {
    return QSPI_ERROR;
  }
    /* 系统级初始化 */
  BSP_QSPI_MspInit(&QSPIHandle, NULL);
  /* QSPI初始化 */
  /* 时钟预分频器设置为1,因此QSPI时钟= 240MHz /(1 + 1)= 120MHz */
  QSPIHandle.Init.ClockPrescaler     = 1;
  QSPIHandle.Init.FifoThreshold      = POSITION_VAL(W25Q64_FLASH_SIZE) - 1;
  QSPIHandle.Init.SampleShifting     = QSPI_SAMPLE_SHIFTING_NONE;
  QSPIHandle.Init.FlashSize          = POSITION_VAL(W25Q64_FLASH_SIZE) - 1;
  QSPIHandle.Init.ChipSelectHighTime = QSPI_CS_HIGH_TIME_6_CYCLE;
  QSPIHandle.Init.ClockMode          = QSPI_CLOCK_MODE_0;
  QSPIHandle.Init.FlashID            = QSPI_FLASH_ID_1;
  QSPIHandle.Init.DualFlash          = QSPI_DUALFLASH_DISABLE;
  if (HAL_QSPI_Init(&QSPIHandle) != HAL_OK)
  {
    return QSPI_ERROR;
  }
  return QSPI_OK;
void HAL_QSPI_MspInit(QSPI_HandleTypeDef* qspiHandle)
{
  GPIO_InitTypeDef GPIO_InitStruct = {0};
  if(qspiHandle->Instance==QUADSPI)
  {
    /* QUADSPI时钟使能 */
    __HAL_RCC_QSPI_CLK_ENABLE();
    __HAL_RCC_GPIOB_CLK_ENABLE();
    __HAL_RCC_GPIOF_CLK_ENABLE();
    __HAL_RCC_GPIOD_CLK_ENABLE();
    /** QUADSPI GPIO配置    
    PB6     ------> QUADSPI_BK1_NCS
    PF7     ------> QUADSPI_BK1_IO2
    PB2     ------> QUADSPI_CLK
    PD13     ------> QUADSPI_BK1_IO3
    PD12     ------> QUADSPI_BK1_IO1
    PD11     ------> QUADSPI_BK1_IO0 
    */
    GPIO_InitStruct.Pin = GPIO_PIN_6;
    GPIO_InitStruct.Mode = GPIO_MODE_AF_PP;
    GPIO_InitStruct.Pull = GPIO_NOPULL;
    GPIO_InitStruct.Speed = GPIO_SPEED_FREQ_VERY_HIGH;
    GPIO_InitStruct.Alternate = GPIO_AF10_QUADSPI;
    HAL_GPIO_Init(GPIOB, &GPIO_InitStruct);
 
    GPIO_InitStruct.Pin = GPIO_PIN_7;
    GPIO_InitStruct.Mode = GPIO_MODE_AF_PP;
    GPIO_InitStruct.Pull = GPIO_NOPULL;
    GPIO_InitStruct.Speed = GPIO_SPEED_FREQ_VERY_HIGH;
    GPIO_InitStruct.Alternate = GPIO_AF9_QUADSPI;
    HAL_GPIO_Init(GPIOF, &GPIO_InitStruct);
 
    GPIO_InitStruct.Pin = GPIO_PIN_2;
    GPIO_InitStruct.Mode = GPIO_MODE_AF_PP;
    GPIO_InitStruct.Pull = GPIO_NOPULL;
    GPIO_InitStruct.Speed = GPIO_SPEED_FREQ_VERY_HIGH;
    GPIO_InitStruct.Alternate = GPIO_AF9_QUADSPI;
    HAL_GPIO_Init(GPIOB, &GPIO_InitStruct);
 
    GPIO_InitStruct.Pin = GPIO_PIN_13|GPIO_PIN_12|GPIO_PIN_11;
    GPIO_InitStruct.Mode = GPIO_MODE_AF_PP;
    GPIO_InitStruct.Pull = GPIO_NOPULL;
    GPIO_InitStruct.Speed = GPIO_SPEED_FREQ_VERY_HIGH;
    GPIO_InitStruct.Alternate = GPIO_AF9_QUADSPI;
    HAL_GPIO_Init(GPIOD, &GPIO_InitStruct);
  }
}

3.STORAGE_Read_HS函数

#define BLK_NBR                  0x800     //块数量
#define BLK_SIZ                  0x1000    //块大小
int8_t STORAGE_Read_HS(uint8_t lun, uint8_t *buf, uint32_t blk_addr, uint16_t blk_len)
{
    BSP_QSPI_Read(buf, blk_addr * BLK_SIZ, blk_len * BLK_SIZ);
    return (USBD_OK);
}

4.STORAGE_Write_HS函数

int8_t STORAGE_Write_HS(uint8_t lun, uint8_t *buf, uint32_t blk_addr, uint16_t blk_len)
{
    BSP_QSPI_Write(buf, blk_addr * BLK_SIZ, blk_len * BLK_SIZ);
    return (USBD_OK);
}

5.STORAGE_GetCapacity_HS函数

int8_t STORAGE_GetCapacity_HS(uint8_t lun, uint32_t *block_num, uint16_t *block_size)//获取存储容量
{
  *block_num  = BLK_NBR;
  *block_size = BLK_SIZ;
  return (USBD_OK);
}

五、 实验步骤

  1. 把仿真器与iCore4T的SWD调试口相连(直接相连或者通过转接器相连);
  2. 把iCore4T通过Micro USB线与计算机相连,为iCore4T供电;
  3. 打开Keil MDK 开发环境,并打开本实验工程;
  4. 烧写程序到iCore4T上;
  5. 也可以进入Debug 模式,单步运行或设置断点验证程序逻辑。

六、 实验现象