用户工具

站点工具


icore4tx_34
银杏科技有限公司旗下技术文档发布平台
技术支持电话0379-69926675-801
技术支持邮件Gingko@vip.163.com
版本 日期 作者 修改内容
V1.0 2020-07-29 gingko 初次建立









STM32CubeMX教程三十四——USB_MSC实验(FS)

1.在主界面选择File–>New Project 或者直接点击ACCEE TO MCU SELECTOR 2.出现芯片型号选择,搜索自己芯片的型号,双击型号,或者点击Start Project进入配置 在搜索栏的下面,提供的各 种查找方式,可以选择芯片内核,型号,等等,可以帮助你查找芯片。本实验选取的芯片型号为:STM32H750IBKx。 3.配置RCC,使用外部时钟源 4.时基源选择SysTick 5.将PA10,PB7,PB8设置为GPIO_Output 6.引脚模式配置 7.配置串口 在NVIC Settings一栏使能接收中断 引脚配置 8.配置USB_OTG_FS 引脚配置 9.配置USB_HOST 10.配置FATFS 11.时钟源设置,选择外部高速时钟源,配置为最大主频 12.工程文件的设置, 这里就是工程的各种配置 我们只用到有限几个,其他的默认即可 IDE我们使用的是 MDK V5.27 13.点击Code Generator,进行进一步配置

  • Copy all used libraries into the project folder
  • 将HAL库的所有.C和.H都复制到所建工程中
  • 优点:这样如果后续需要新增其他外设又可能不再用STM32CubeMX的时候便会很方便
  • 缺点:体积大,编译时间很长
  • Copy only the necessary library files
  • 只复制所需要的.C和.H(推荐)
  • 优点:体积相对小,编译时间短,并且工程可复制拷贝
  • 缺点:新增外设时需要重新用STM32CubeMX导入
  • Add necessary library files as reference in the toolchain project configuration file
  • 不复制文件,直接从软件包存放位置导入.C和.H
  • 优点:体积小,比较节约硬盘空间
  • 缺点:复制到其他电脑上或者软件包位置改变,就需要修改相对应的路径
  • 自行选择方式即可

14.然后点击GENERATE CODE 创建工程 创建成功,打开工程。





实验三十四:USB_MSC实验(FS)——读/写U盘(大容量存储器)

一、 实验目的与意义

  1. 了解STM32 USB HOST结构。
  2. 了解STM32 USB HOST特征。
  3. 掌握USB HOST MSC的使用方法。
  4. 掌握STM32 HAL库中USB HOST属性的配置方法。
  5. 掌握KEIL MDK 集成开发环境使用方法。

二、 实验设备及平台

  1. iCore4TX 双核心板点击购买
  2. JLINK(或相同功能)仿真器。点击购买
  3. Micro USB线缆。
  4. Keil MDK 开发平台。
  5. STM32CubeMX开发平台。
  6. 装有WIN XP(及更高版本)系统的计算机。

三、 实验原理

1.USB OTG FS简介

  • STM32H750系列芯片自带有2个USB OTG,其中USB1是高速USB(USB1 OTG HS);USB2是全速USB(USB2 OTG FS)。
  • STM32H750的USB OTG FS是一款双角色设备(DRD)控制器,同时支持从机功能和主机功能,完全符合USB2.0规范的On-The-Go补充标准。此外,该控制器也可配置为“仅主机”模式或“仅从机”模式,完全符合USB2.0规范。在主机模式下,OTG FS支持全速(FS,12Mb/s)和低速(LS,1.5Mb/s)收发器,而从机模式下则仅支持全速(FS,12Mb/s)收发器。OTG FS同时支持HNP和SRP。

2.USB OTG FS主要特性

  • STM32H750的USB OTG FS主要特性可分为三类:通用特性、主机模式特性和从机模式特性。
(1) 通用特性
  • 经USB-IF认证,符合通用串行总线规范第2.0版
  • 集成全速PHY,且完全支持定义在标准规范OTG补充第2.0版中的OTG协议
    • 支持A-B器件识别(ID线)
    • 支持主机协商协议(HNP)和会话请求协议(SRP)
    • 允许主机关闭VBUS以在OTG应用中节省电池电量
    • 支持通过内部比较器对VBUS电平采取监控
    • 支持主机到从机的角色动态切换
  • 可通过软件配置为以下角色:
    • 具有SRP功能的USB FS从机(B器件)
    • 具有SRP功能的USB FS/LS主机(A器件)
    • USB On-The-Go全速双角色设备
  • 支持FS SOF和LSKeep-alive令牌
    • SOF脉冲可通过PAD输出
    • SOF脉冲从内部连接到定时器2(TIM2)
    • 可配置的帧周期
    • 可配置的帧结束中断
  • 具有省电功能,例如在USB挂起期间停止系统、关闭数字模块时钟、对PHY和DFIFO电源加以管理
  • 具有采用高级FIFO控制的4KB专用RAM
    • 可将RAM空间划分为不同FIFO,以便灵活有效地使用RAM
    • 每个FIFO可存储多个数据包
    • 动态分配存储区
    • FIFO大小可配置为非2的幂次方值,以便连续使用存储单元
  • 一帧之内可以无需要应用程序干预,以达到最大USB带宽
(2) 主机(Host)模式特性
  • 通过外部电荷泵生成VBUS电压。
  • 多达16个主机通道(管道):每个通道都可以动态实现重新配置,可支持任何类型的USB传输。
  • 内置硬件调度器可:
    • 在周期性硬件队列中存储多达16个中断加同步传输请求
    • 在非周期性硬件队列中存储多达16个控制加批量传输请求
  • 管理一个共享RX FIFO、一个周期性TX FIFO和一个非周期性TX FIFO,以有效使用USB数据RAM。
(3) 从机(Slave/Device)模式特性
  • 1个双向控制端点0
  • 8个IN端点(EP),可配置为支持批量传输、中断传输或同步传输
  • 8个OUT端点(EP),可配置为支持批量传输、中断传输或同步传输
  • 管理一个共享RxFIFO和一个Tx-OUTFIFO,以高效使用USB数据RAM
  • 管理多达9个专用Tx-INFIFO(分别用于每个使能的INEP),降低应用程序负荷支持软断开功能。

3.OTG FS框图

  • 对于USB OTG FS功能模块,STM32H750通过AHB总线访问(AHB频率必须大于30Mhz),另外,USB OTG的内核时钟必须是48Mhz,由RCC_D2CCIP2R寄存器的USBSEL[1:0]位选择:00,禁止USB内核时钟;01,USB内核时钟来自pll1_q_ck;10,USB内核时钟来自pll3_q_ck;11,USB内核时钟来自hsi48_ck;因为pll1_q_ck和pll3_q_ck很有可能被其他外设用作时钟,不方便设置为48Mhz,因此我们一般使用hsi48_ck作为USB OTG内核时钟(USBSEL[1:0]=11),这样就不会受到其他外设的影响。

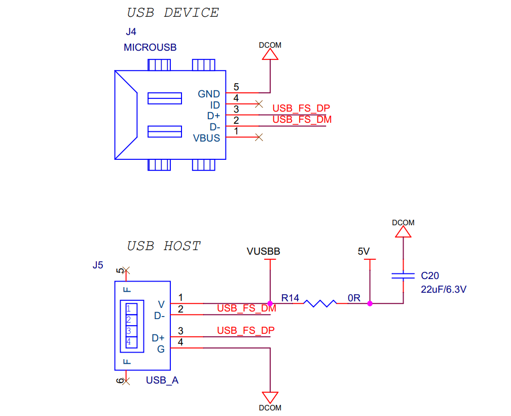
4.原理图

  • 本实验使用全速USB(USB2 OTG FS)实现数据传输,通过移植ST官方提供的代码来实现STM32对U盘或者读卡器等大容量USB存储设备的读写操作。

四、 实验程序

1.主函数

int main(void)
{
    HAL_Init();
    SystemClock_Config();
 
    i2c.initialize();
    axp152.initialize();
    axp152.set_dcdc1(3500);//[ARM & FPGA]
    axp152.set_dcdc2(1200);//[FPGA INT]
    axp152.set_dcdc3(3300);//[DCOUT3]
    axp152.set_dcdc4(3300);//[DCOUT4]
 
    axp152.set_aldo1(3300);//[BK3]
    axp152.set_aldo2(3300);//[ALDOOUT2]
    axp152.set_dldo1(3300);//[BK0]
    axp152.set_dldo2(3300);//[BK1]
    HAL_Delay(200);
 
    MX_GPIO_Init();
    MX_USART2_UART_Init();
    MX_FATFS_Init();
    MX_USB_HOST_Init();
 
    LED_ON;
    usart2.printf("\x0c");                //清屏
    usart2.printf("\033[1;32;40m");       //设置终端字体为绿色
    usart2.printf("\r\nHello, I am iCore4TX.\r\n"); 
 
    while (1)
    {
      MX_USB_HOST_Process();
    }
}
 

2.USB_HOST初始化函数

void MX_USB_HOST_Init(void)
{
  /* 初始化主机库,添加支持的类并启动该库 */
  if (USBH_Init(&hUsbHostFS, USBH_UserProcess, HOST_FS) != USBH_OK)
  {
    Error_Handler();
  }
  if (USBH_RegisterClass(&hUsbHostFS, USBH_MSC_CLASS) != USBH_OK)
  {
    Error_Handler();
  }
  if (USBH_Start(&hUsbHostFS) != USBH_OK)
  {
    Error_Handler();
  }
}
 

3.MX_USB_HOST_Process函数

void MX_USB_HOST_Process(void)
{  /* USB主机后台任务 */
  USBH_Process(&hUsbHostFS);
}

4.USBH_UserProcess函数

static void USBH_UserProcess  (USBH_HandleTypeDef *phost, uint8_t id)
{
    int i,j;
    static FRESULT res;
    unsigned char write_buffer[512];
    unsigned char read_buffer[512];
    unsigned int counter;
 
    switch(id)
    {
    case HOST_USER_SELECT_CONFIGURATION:
    break;
case HOST_USER_DISCONNECTION:
    Appli_state = APPLICATION_DISCONNECT;
    break;
    case HOST_USER_CLASS_ACTIVE:
Appli_state = APPLICATION_READY;
//f_mount
    res = f_mount(&fatfs,"0:",1);
    if(res != RES_OK){
        USBH_UsrLog("\r\nf_mount error!");
        while(1){
            LED_ON;
            HAL_Delay(500);
            LED_OFF;
            HAL_Delay(500);     
        }
    }else{
        USBH_UsrLog("\r\nf_mount successful!");
    }   
    //f_open
    for(i = 0; i < 512 ; i ++)write_buffer[i] = i % 256;
    res = f_open(&file,"0:/test.txt",FA_READ | FA_WRITE | FA_OPEN_ALWAYS);   //打开驱动器0上的源文件
    if(res != RES_OK){
        USBH_UsrLog("f_open error!");
        while(1){
            LED_ON;
            HAL_Delay(500);
            LED_OFF;
            HAL_Delay(500);     
        }
    }else{
        USBH_UsrLog("f_open successful!");
    }
    //f_lseek
    res = f_lseek(&file,0);
    if(res != RES_OK){
        USBH_UsrLog("f_lseek error!");
        while(1){
            LED_ON;
            HAL_Delay(500);
            LED_OFF;
            HAL_Delay(500);     
        }   
    }else{
        USBH_UsrLog("f_lseek successful!");
    }
    //f_write
    res = f_write(&file,write_buffer,512,&counter);
if(res != RES_OK || counter != 512){
        USBH_UsrLog("f_write error!");
        while(1){
            LED_ON;
            HAL_Delay(500);
            LED_OFF;
            HAL_Delay(500);     
        }
    }else{
        USBH_UsrLog("f_write successful!");
    }
    //f_lseek
    res = f_lseek(&file,0);
    if(res != RES_OK){
        USBH_UsrLog("f_lseek error!");
        while(1){
            LED_ON;
            HAL_Delay(500);
            LED_OFF;
            HAL_Delay(500);     
        }   
    }else{
        USBH_UsrLog("f_lseek successful!");
    }
    //f_read
    res = f_read(&file,read_buffer,512,&counter); 
    if(res != RES_OK || counter != 512){
        USBH_UsrLog("f_read error!");
        while(1){
            LED_ON;
            HAL_Delay(500);
            LED_OFF;
            HAL_Delay(500);     
        }   
    }else{
        USBH_UsrLog("f_read successful!");
    }
    f_close(&file);
    USBH_UsrLog("read data:");
    for(i = 0;i < 32;i++){
        for(j = 0; j < 16; j ++)
            usart2.printf("%02X ",read_buffer[i*16+j]);
        usart2.printf("\r\n");
    }   
  break;
 case HOST_USER_CONNECTION:
  Appli_state = APPLICATION_START;
  break;
  default:
  break;
  }
}

五、 实验步骤

  • 把仿真器与iCore4TX的SWD调试口相连(直接相连或者通过转接器相连);
  • 把iCore4TX通过Micro USB线与计算机相连,为iCore4TX供电;
  • 打开PuTTY串口终端;
  • 打开Keil MDK 开发环境,并打开本实验工程;
  • 烧写程序到iCore4TX上;
  • 也可以进入Debug 模式,单步运行或设置断点验证程序逻辑。

六、 实验现象

icore4tx_34.txt · 最后更改: 2022/04/01 11:30 由 sean