用户工具

站点工具


icore3l_18
银杏科技有限公司旗下技术文档发布平台
技术支持电话0379-69926675-801
技术支持邮件Gingko@vip.163.com
技术论坛http://www.eeschool.org
版本 日期 作者 修改内容
V0.1 2020-11-11 gingko 初次建立

STM32CubeMX教程十八——SDRAM实验

1.在主界面选择File–>New Project或者直接点击ACCEE TO MCU SELECTOR 2.出现芯片型号选择,搜索自己芯片的型号,双击型号,或者点击Start Project进入配置在搜索栏的下面,提供的各种查找方式,可以选择芯片内核,型号等等,可以帮助你查找芯片。本实验选取的芯片型号为:STM32F429IGHx。 3.配置RCC,使用外部时钟源 4.Debug选择Serial Wire时基源选择SysTick 5.将LEDG,LEDR,LEDB对应的PI3,PI4,PH14设置为GPIO_Output 6.引脚模式配置 7.配置FMC 8.时钟源设置,选择外部高速时钟源,配置为最大主频 9.工程文件的设置, 这里就是工程的各种配置 我们只用到有限几个,其他的默认即可IDE我们使用的是 MDK V5.27 10.点击Code Generator,进行进一步配置 * Copy all used libraries into the project folder

  • 将HAL库的所有.C和.H都复制到所建工程中
    • 优点:这样如果后续需要新增其他外设又可能不再用STM32CubeMX的时候便会很方便
    • 缺点:体积大,编译时间很长

* Copy only the necessary library files

  • 只复制所需要的.C和.H(推荐)
    • 优点:体积相对小,编译时间短,并且工程可复制拷贝
    • 缺点:新增外设时需要重新用STM32CubeMX导入

* Add necessary library files as reference in the toolchain project configuration file

  • 不复制文件,直接从软件包存放位置导入.C和.H
    • 优点:体积小,比较节约硬盘空间
    • 缺点:复制到其他电脑上或者软件包位置改变,就需要修改相对应的路径自行选择方式即可

11.然后点击GENERATE CODE创建工程 创建成功,打开工程。



实验十八:SDRAM实验——读写测试SDRAM

一、实验目的与意义

  1. 了解STM32 SDRAM结构
  2. 了解STM32 SDRAM特征
  3. 掌握SDRAM的使用方法
  4. 掌握STM32 HAL库中SDRAM属性的配置方法
  5. 掌握KEILMDK 集成开发环境使用方法

二、实验设备及平台

  1. iCore3L 双核心板
  2. JLINK(或相同功能)仿真器
  3. Micro USB线缆
  4. Keil MDK 开发平台
  5. STM32CubeMX开发平台
  6. 装有WIN XP(及更高版本)系统的计算机

三、实验原理

1.SDRAM简介

  • 同步动态随机存取内存(synchronous dynamic random-access memory,简称SDRAM)是有一个同步接口的动态随机存取内存(DRAM)。通常DRAM是有一个异步接口的,这样它可以随时响应控制输入的变化。而SDRAM有一个同步接口,在响应控制输入前会等待一个时钟信号,这样就能和计算机的系统总线同步。时钟被用来驱动一个有限状态机,对进入的指令进行管线(Pipeline)操作。这使得SDRAM与没有同步接口的异DRAM(asynchronous DRAM)相比,可以有一个更复杂的操作模式。管线意味着芯片可以在处理完之前的指令前,接受一个新的指令。在一个写入的管线中,写入命令在另一个指令执行完之后可以立刻执行,而不需要等待数据写入存储队列的时间。在一个读取的流水线中,需要的数据在读取指令发出之后固定数量的时钟频率后到达,而这个等待的过程可以发出其它附加指令。
  • SDRAM是多Bank结构,例如在一个具有两个Bank的SDRAM的模组中,其中一个Bank在进行预充电期间,另一个Bank却马上可以被读取,这样当进行一次读取后,又马上去读取已经预充电Bank的数据时,就无需等待而是可以直接读取了,这也就大大提高了存储器的访问速度。为了实现这个功能,SDRAM需要增加对多个Bank的管理,实现控制其中的Bank进行预充电。在一个具有2个以上Bank的SDRAM中,一般会多一根叫做BAn的引脚,用来实现在多个Bank之间的选择。

SDRAM具有多种工作模式,内部操作是一个复杂的状态机。SDRAM器件的引脚分为以下几类:

  1. 控制信号:包括片选、时钟、时钟使能、行列地址选择、读写有效及数据有效。
  2. 地址信号:时分复用引脚,根据行列地址选择引脚,控制输入的地址为行地址或列地址。
  3. 数据信号:双向引脚,受数据有效控制。

SDRAM的所有操作都同步于时钟。根据时钟上升沿控制管脚和地址输入的状态,可以产生多种输入命令:

  • 模式寄存器设置命令
  • 激活命令
  • 预充命令
  • 读命令
  • 写命令
  • 带预充的读命令
  • 带预充的写命令
  • 自动刷新命令
  • 自我刷新命令
  • 突发停命令
  • 空操作命令
  • 根据输入命令,SDRAM状态在内部状态间转移。内部状态包括模式寄存器设置状态、激活状态、预充状态、写状态、读状态、预充读状态、预充写状态、自动刷新状态及自我刷新状态。
  • SDRAM支持的操作命令有初始化配置、预充电、行激活、读操作、写操作、自动刷新、自刷新等。所有的操作命令通过控制线CS#、RAS#、CAS#、WE#和地址线、体选地址BA输入。

2.FMC简介

  • STM32F429IGHx使用FMC外设来管理扩展的存储器,FMC是Flexible Memory Controller的缩写,译为可变存储控制器。它可以用于驱动包括SRAM、SDRAM、PSRAM、NOR FLASH以及NAND FLSAH类型的存储器。
  • FMC有6个存储区域,每个区域支持256MB的寻址空间。
    • (1)数字列表项目存储区域 1 可连接多达 4 个 NOR Flash 或 PSRAM 设备。此存储区域被划分为如下 4 个NOR/PSRAM 子区域,带 4 个专用片选信号:
      • 存储区域 1 NOR/PSRAM 1
      • 存储区域 1 NOR/PSRAM 2
      • 存储区域 1 NOR/PSRAM 3
      • 存储区域 1 NOR/PSRAM 4
    • (2)存储区域2用于SDRAM器件,具体是SDRAM存储区域1还是SDRAM存储区域2取决于BMAP位配置。
    • (3)存储区域3用于连接NAND Flash器件。此空间的MPU存储器特性必须通过软件重新配置到器件中。
    • (4)存储区域5和6用于连接SDRAM器件(每个存储区域1个器件)。
  • 对于每个存储区域,所要使用的存储器类型可由用户应用程序通过配置寄存器配置。
  • 本实验使用FMC控制SDRAM。启动时,必须通过用户应用程序对用于连接 FMC SDRAM 控制器与外部 SDRAM 设备的SDRAM I/O 引脚进行配置。应用程序未使用的 SDRAM 控制器 I/O 引脚可用于其它用途。

FMC的存储区域如图所示: FMC框图如下:

3.SDRAM的地址映射

两个可用的SDRAM存储区域如图:

4.SDRAM控制寄存器

  • 控制SDRAM的有FMC_SDCR1/FMC_SDCR2控制寄存器、FMC_SDTR1/FMC_SDTR2 时序寄存器、FMC_SDCMR 命令模式寄存器以及 FMC_SDRTR刷新定时器寄存器。其中控制寄存器及时序寄存器各有2个,分别对应于SDRAM存储区域1和存储区域2的配置。
  • FMC_SDCR控制寄存器可配置SDCLK的同步时钟频率、突发读使能、写保护、CAS延迟、行列地址位数以及数据总线宽度等。
  • FMC_SDTR时序寄存器用于配置SDRAM访问时的各种时间延迟,如TRP行预充电延迟、TMRD加载模式寄存器激活延迟等。
  • FMC_SDCMR命令模式寄存器用于存储要发送到SDRAM模式寄存器的配置,以及要向SDRAM芯片发送的命令。
  • FMC_SDRTR 刷新定时器寄存器用于配置 SDRAM 的自动刷新周期。

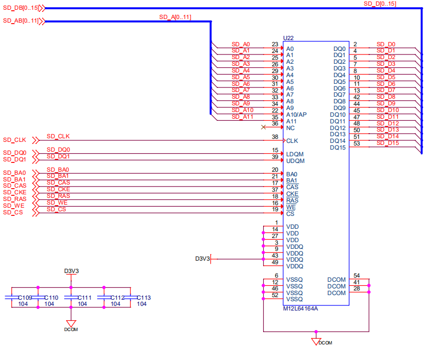
5.原理图

四、实验程序

1.主函数

int main(void)
{
int i,j;
  HAL_Init();
  SystemClock_Config();
  MX_GPIO_Init();
  MX_FMC_Init();
  BSP_SDRAM_Init();
  for(j = 0; j < 64;j++)  //向SDRAM中写入0~65536并读取校验
  {
     for(i = 0;i < 65536;i++)
     {
	 write_sdram((65536 * j + i),i);
     }
  }
  for(j = 0; j < 64; j++)
  {
     for(i = 0;i < 65536;i++)
     {
	 if(i != read_sdram((65536 * j + i))) //读取SDRAM中的值,测试是否成功写入 
         { 
             while(1)       //测试失败,红色LED闪烁
	     {
		  LED_RED_ON;
		  HAL_Delay(500);
		  LED_RED_OFF;
		  HAL_Delay(500);
	     }
	 }
     }
  }	
  HAL_Delay(1000);
  LED_RED_ON;        //测试成功,红色LED常亮
  while (1)
  {
  }
} 

2.SDRAM初始化函数

uint8_t BSP_SDRAM_Init(void)
{
  static uint8_t sdramstatus = SDRAM_ERROR;
  /*SDRAM设备配置*/
  SdramHandle.Instance = FMC_SDRAM_DEVICE;
  /* FMC SDRAM Bank配置 */
  /* SD时钟频率为90 Mhz的定时配置(180Mhz / 2) */
  /* TMRD:2个时钟周期 */
  Timing.LoadToActiveDelay    = 2;
  /* TXSR:最小值= 70ns(7x11.11ns) */
  Timing.ExitSelfRefreshDelay = 7;
  /* TRAS:最小值= 42ns(4x11.11ns)最大值= 120k(ns) */
  Timing.SelfRefreshTime      = 4;
  /* TRC:最小值= 70(7x11.11ns) */
  Timing.RowCycleDelay        = 7;
  /* TWR:最小值 = 1 + 7ns(1 + 1x11.11ns) */
  Timing.WriteRecoveryTime    = 2;
  /* TRP:  20ns => 2x11.11ns*/
  Timing.RPDelay              = 2;
  /* TRCD: 20ns => 2x11.11ns */
  Timing.RCDDelay             = 2;
  /* FMC SDRAM控制配置 */
  SdramHandle.Init.SDBank             = FMC_SDRAM_BANK1;
  /* 列寻址: [7:0] */
  SdramHandle.Init.ColumnBitsNumber   = FMC_SDRAM_COLUMN_BITS_NUM_8;
  /* 行寻址: [11:0] */
  SdramHandle.Init.RowBitsNumber      = FMC_SDRAM_ROW_BITS_NUM_12;
  /*SDRAM的数据宽度 */
  SdramHandle.Init.MemoryDataWidth    = SDRAM_MEMORY_WIDTH;
  /*SDRAM内部的Bank数目 */
  SdramHandle.Init.InternalBankNumber = FMC_SDRAM_INTERN_BANKS_NUM_4;
  /*CASLatency的时钟个数*/
  SdramHandle.Init.CASLatency         = SDRAM_CAS_LATENCY;
  /*是否使能写保护模式 */
  SdramHandle.Init.WriteProtection    = FMC_SDRAM_WRITE_PROTECTION_DISABLE;
  /*配置同步时钟SDCLK的参数*/
  SdramHandle.Init.SDClockPeriod      = SDCLOCK_PERIOD;
  /*是否使能突发读模式*/
  SdramHandle.Init.ReadBurst          = SDRAM_READBURST;
  /*在CAS个延迟后再等待多少个HCLK时钟才读取数据 */
  SdramHandle.Init.ReadPipeDelay      = FMC_SDRAM_RPIPE_DELAY_1;
  /*SDRAM控制器初始化*/
  BSP_SDRAM_MspInit(&SdramHandle, (void *)NULL);
  if(HAL_SDRAM_Init(&SdramHandle, &Timing) != HAL_OK)
  {
    sdramstatus = SDRAM_ERROR;
  }
  else
  {
    sdramstatus = SDRAM_OK;
  }
  /*SDRAM初始化顺序*/
  BSP_SDRAM_Initialization_sequence(REFRESH_COUNT);
  return sdramstatus;
}

3.SDRAM读写函数

#define  write_sdram(offset,data) *(volatile unsigned short int *)(SDRAM_DEVICE_ADDR + (offset << 1)) = data
#define  read_sdram(offset) *(volatile unsigned short int *)(SDRAM_DEVICE_ADDR + (offset << 1))

4.FMC初始化函数

void MX_FMC_Init(void)  
{  //本实验中我们只用到了FMC的引脚,时序配置使用官方提供的SDRAM驱动
  FMC_SDRAM_TimingTypeDef SdramTiming = {0};  
  /* 执行SDRAM1存储器初始化序列 */  
  hsdram1.Instance = FMC_SDRAM_DEVICE;  
  /* hsdram1初始化 */  
  hsdram1.Init.SDBank = FMC_SDRAM_BANK1;  
  hsdram1.Init.ColumnBitsNumber = FMC_SDRAM_COLUMN_BITS_NUM_8;  
  hsdram1.Init.RowBitsNumber = FMC_SDRAM_ROW_BITS_NUM_13;  
  hsdram1.Init.MemoryDataWidth = FMC_SDRAM_MEM_BUS_WIDTH_16;  
  hsdram1.Init.InternalBankNumber = FMC_SDRAM_INTERN_BANKS_NUM_4;  
  hsdram1.Init.CASLatency = FMC_SDRAM_CAS_LATENCY_1;  
  hsdram1.Init.WriteProtection = FMC_SDRAM_WRITE_PROTECTION_DISABLE;  
  hsdram1.Init.SDClockPeriod = FMC_SDRAM_CLOCK_DISABLE;  
  hsdram1.Init.ReadBurst = FMC_SDRAM_RBURST_DISABLE;  
  hsdram1.Init.ReadPipeDelay = FMC_SDRAM_RPIPE_DELAY_0;  
  /* Sdram时序 */  
  SdramTiming.LoadToActiveDelay = 16;  
  SdramTiming.ExitSelfRefreshDelay = 16;  
  SdramTiming.SelfRefreshTime = 16;  
  SdramTiming.RowCycleDelay = 16;   
  SdramTiming.WriteRecoveryTime = 16;  
  SdramTiming.RPDelay = 16;  
  SdramTiming.RCDDelay = 16;  
  if (HAL_SDRAM_Init(&hsdram1, &SdramTiming) != HAL_OK)  
  {  
    Error_Handler( );  
  }  
}  

五、实验步骤

  1. 把仿真器与iCore3L的SWD调试口相连(直接相连或者通过转接器相连);
  2. 把iCore3L通过Micro USB线与计算机相连,为iCore3L供电;
  3. 打开Keil MDK 开发环境,并打开本实验工程;
  4. 烧写程序到iCore3L上;
  5. 也可以进入Debug 模式,单步运行或设置断点验证程序逻辑。

六、实验现象

SDRAM读写测试成功,红色LED灯常亮。测试失败红色LED灯闪烁。

icore3l_18.txt · 最后更改: 2020/11/11 11:18 由 zgf