用户工具

站点工具


icore3l_arm_16
银杏科技有限公司旗下技术文档发布平台
技术支持电话0379-69926675-801
技术支持邮件Gingko@vip.163.com
版本 日期 作者 修改内容
V1.0 2020-11-18 gingko 初次建立

STM32CubeMX教程十六——SDIO实验

1.在主界面选择File–>New Project或者直接点击ACCEE TO MCU SELECTOR 2.出现芯片型号选择,搜索自己芯片的型号,双击型号,或者点击Start Project进入配置在搜索栏的下面,提供的各种查找方式,可以选择芯片内核,型号,等等,可以帮助你查找芯片。本实验选取的芯片型号为:STM32FIGHx。 3.配置RCC,使用外部时钟源 4.Debug选择Serial Wire,时基源选择SysTick 5.将PI3,PI4,PH14设置为GPIO_Output 6.引脚模式配置 7.设置串口 8.在NVIC Settings一栏使能接收中断 9.配置SDIO 10.时钟源设置,选择外部高速时钟源,配置为最大主频 11.工程文件的设置, 这里就是工程的各种配置 我们只用到有限几个,其他的默认即可IDE我们使用的是MDK V5.27 12.点击Code Generator,进行进一步配置

  • Copy all used libraries into the project folder
  • 将HAL库的所有.C和.H都复制到所建工程中
    • 优点:这样如果后续需要新增其他外设又可能不再用STM32CubeMX的时候便会很方便
    • 缺点:体积大,编译时间很长
  • Copy only the necessary library files
  • 只复制所需要的.C和.H(推荐)
    • 优点:体积相对小,编译时间短,并且工程可复制拷贝
    • 缺点:新增外设时需要重新用STM32CubeMX导入
  • Add necessary library files as reference in the toolchain project configuration file
  • 不复制文件,直接从软件包存放位置导入.C和.H
    • 优点:体积小,比较节约硬盘空间
    • 缺点:复制到其他电脑上或者软件包位置改变,就需要修改相对应的路径
  • 自行选择方式即可

13.然后点击GENERATE CODE创建工程 创建成功,打开工程。



实验十六:SDIO实验——读取SD卡信息

一、实验目的与意义

  1. 了解STM32 SDIO结构
  2. 了解STM32 SDIO特征
  3. 掌握SDIO的使用方法
  4. 掌握STM32 HAL库中SDIO属性的配置方法
  5. 掌握KEILMDK 集成开发环境使用方法

二、实验设备及平台

  1. iCore3L 双核心板
  2. JLINK(或相同功能)仿真器
  3. Micro USB线缆
  4. Keil MDK 开发平台
  5. STM32CubeMX开发平台
  6. 装有WIN XP(及更高版本)系统的计算机

三、实验原理

1.SDIO的定义

  • SDIO在SD标准上定义了一种外设接口。目前,SDIO主要有两类应用——可移动和不可移动。可移动设备作为Palm和Windows Mobile的扩展设备,用来增加蓝牙、照相机、GPS和802.11b功能。不可移动设备遵循相同的电气标准,但不要求符合物理标准。某些手机内包含通过SDIO连接CPU的802.11芯片。此举将“珍贵”的I/ O管脚资源用于更重要的功能。
  • 蓝牙、照相机、GPS和802.11b设备有专为它们定义的应用规范。这些应用规范与为PCI和USB设备定义的类规范很相像。它们允许任何宿主设备与任意外设“通话”,只要它们都支持应用规范。
  • SDIO和SD卡规范间的一个重要区别是增加了低速标准。SDIO卡只需要SPI和1位SD传输模式。低速卡的目标应用是以最小的硬件开支支持低速I/ O能力。低速卡支持类似调制解调器、条码扫描仪和GPS接受器等应用。对“组合”卡(存储器+ SDIO)而言,全速和4位操作对卡内存储器和SDIO部分都是强制要求的。

2.SDIO的功能

  • 转换设备的能力 SD标准有很大的弹性,比方说,SD插槽不仅能插入内存卡。SDIO卡是一种界面,即由使用标准SD卡插槽来扩展设备的功能,让设备拥有新的功能。
  • 新功能列举如下:GPS 相机 Wi-Fi 调频广播 以太网 条形码读卡器 蓝牙; 将与SD memory card同样的终端形状的卡槽利用于扩张卡的规格。把对应SDIO卡槽(插口)称为SDIO卡,扩张卡称为SDIO卡。
  • 为了在个人电脑和PDA等中添加功能而使用SD卡的规格,由于可以使用比PC卡形状还小的卡和插槽,相比于笔记本电脑,更多采用于小巧的PDA中。主要销售的产品有,面向PDA的PHS通讯卡和蓝牙通讯卡,无线网卡,小型数码相机等。
  • 为了使用SDIO,必须要有对应的插槽,数码相机等memory card的专用缝儿插槽不对应SDIO卡。SDIO插槽中能够插入SD memory card来读写。
  • SD/SDIO MMC卡主机接口(SDIO)提供APB2外设总线与多媒体卡(MMC)、SD卡、SDIO卡以及CE-ATA设备之间的接口。

3.SDIO主要特性

  • 完全兼容多媒体卡系统规范版本4.2。卡支持三种不同数据总线模式:1位(默认)、4位和8位。
  • 完全兼容先前版本的多媒体卡(向前兼容性)。
  • 完全兼容SD存储卡规范版本2.0。
  • 完全兼容SDI/O卡规范版本2.0:卡支持两种不同数据总线模式:1位(默认)和4位。
  • 完全支持CE-ATA功能(完全符合CE-ATA数字协议版本1.1)。
  • 对于8位模式,数据传输高达48MHz。
  • 数据和命令输出使能信号,控制外部双向驱动程序。

4.SD卡识别过程

多媒体卡和SD卡的卡识别过程有所不同。对于多媒体,识别过程是以时钟速率开始。SDIO_CMD线输出驱动器是开漏引脚,在此识别过程中允许并行的卡操作。对准过程以如下方式完成:

  1. 激活总线。
  2. SDIO卡主机广播SEND_OP_COND(CMD1)以接收运行条件。
  3. 卡以其运行条件寄存器的内容进行响应。
  4. 不兼容的卡将被置于无效状态。
  5. SDIO卡主机向所有有效广播ALL_SEND_CID(CMD2)。
  6. 这些卡将发回其唯一的卡识别号(CID)并进入识别状态。
  7. SDIO卡主机向某个地址的有效卡发出SET_RELATIVE_ADDR(CMD3)。这一新地址称为相对卡地址(RCA);它比CID更短,可对卡进行寻址。分配的卡变为待机状态。SDIO卡主机可以重新发出此命令以更改RCA。卡的RCA是最后分配的值。
  8. SDIO卡主机对所有有效卡重复步骤5到7。

5.SDIO接口的设备

6.SD卡物理结构

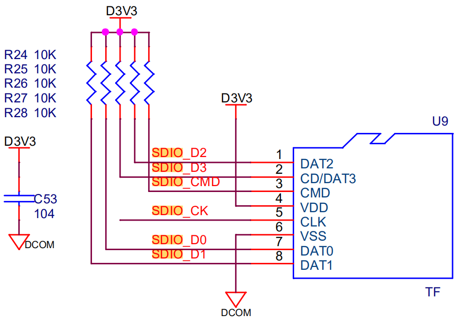
7.原理图

四、实验程序

1.主函数

int main(void)
{
  int i,j;
  unsigned char write_buffer[512]; 
  unsigned char read_buffer[512]; 
  int error = 0;
  HAL_Init();
  SystemClock_Config();
  MX_GPIO_Init();
  MX_SDIO_SD_Init();
  MX_USART1_UART_Init();
  usart1.initialize(115200);		//串口波特设
  usart1.printf("\x0c");                  //清屏
  usart1.printf("\033[1;32;40m");       //设置终端字体为绿色
  usart1.printf("Hello, I am iCore3L\r\n");   //串口信息输出
  if(HAL_SD_ConfigWideBusOperation(&hsd, SDIO_BUS_WIDE_4B) != HAL_OK)
  {
    usart1.printf("SD Card Error!\r\n");
    while(1)
    {
      LED_RED_ON;
      HAL_Delay(500);
      LED_RED_OFF;
      HAL_Delay(500);         
    }       
  }
  else
  {
    usart1.printf("SD Card OK!\r\n");
  }
  //打印SD卡类型
  switch(hsd.SdCard.CardType)
  {
    case CARD_SDSC:
      usart1.printf("SD CardType\t\t: CARD_SDSC\r\n");
      break;
    case CARD_SDHC_SDXC:
      usart1.printf("SD CardType\t\t: CARD_SDHC_SDXC\r\n");
      break;
    case CARD_SECURED:  
      usart1.printf("SD CardType\t\t: CARD_SECURED\r\n");
      break;
  }
  usart1.printf("SD CardCapacity\t\t: %dMB\r\n",(unsigned int)(hsd.SdCard.
  BlockNbr * hsd.SdCard.BlockSize) >> 20);  //打印SD卡容量
  usart1.printf("SD BlockSize\t\t: %dByte\r\n",hsd.SdCard.BlockSize);   
  //打印SD卡数据块大小
  usart1.printf("SD RelCardAdd\t\t: %d\r\n",hsd.SdCard.RelCardAdd);      
  //打印SD卡相对地址
  //从缓冲区写入512字节数据到SD卡数据块
  for(i = 0;i < 512;i++)
  {
    write_buffer[i] = i % 256;
  }       
  HAL_SD_WriteBlocks(&hsd,write_buffer,0,1,1000);
  HAL_Delay(1);  //确定写操作完成
  //读取SD卡数据块数据到缓冲区
  HAL_SD_ReadBlocks(&hsd,read_buffer,0,1,1000);	
  for(i = 0;i < 512;i ++)
  {
    if(write_buffer[i] != read_buffer[i])
    { //比较数据是否读写正确
      error ++;
    }
  }
  if(error)
  {  //测试失败,LED闪烁
    usart1.printf("SD TEST FAIL!\r\n");
    while(1)
    {
      LED_RED_ON;
      HAL_Delay(500);
      LED_RED_OFF;
      HAL_Delay(500);         
    }           
  }
  else
  {  //测试成功打印读取到的数据
    LED_RED_ON;
    usart1.printf("SD TEST OK!\r\n");
    usart1.printf("read data:\r\n");
    for(i = 0;i < 32;i++)
    {
      for(j = 0; j < 16; j ++)
      {
        usart1.printf(" %02X",read_buffer[i*16+j]);
      }
      usart1.printf("\r\n");
    }  			 
  }
  while(1)
  {
  }
}

2.SDIO初始化函数

void MX_SDIO_SD_Init(void)   //SDIO初始化
{
  hsd.Instance = SDIO;
  hsd.Init.ClockEdge = SDIO_CLOCK_EDGE_RISING;
  hsd.Init.ClockBypass = SDIO_CLOCK_BYPASS_DISABLE;
  hsd.Init.ClockPowerSave = SDIO_CLOCK_POWER_SAVE_DISABLE;
  hsd.Init.BusWide = SDIO_BUS_WIDE_1B;
  hsd.Init.HardwareFlowControl = SDIO_HARDWARE_FLOW_CONTROL_DISABLE;
  hsd.Init.ClockDiv = 0;
  if (HAL_SD_Init(&hsd) != HAL_OK)
  {
    Error_Handler();
  }
  if (HAL_SD_ConfigWideBusOperation(&hsd, SDIO_BUS_WIDE_4B) != HAL_OK)
  {
    Error_Handler();
  }
}

3.SD卡写数据块函数

HAL_SD_WriteBlocks(SD_HandleTypeDef *hsd, uint8_t *pData, uint32_t BlockAdd, uint32_t NumberOfBlocks, uint32_t Timeout)
//*hsd:指向SD卡的指针
//*pData:指向要写入的数据的指针
//BlockAdd:数据块地址
//NumberOfBlocks:写入的块数
//Timeout:写入超时设置

4.SD读数据块函数

HAL_SD_ReadBlocks(SD_HandleTypeDef *hsd, uint8_t *pData, uint32_t BlockAdd, uint32_t NumberOfBlocks, uint32_t Timeout)
//*hsd:指向SD卡的指针
//*pData:指向数据读取后存放区的指针
//BlockAdd:数据块地址
//NumberOfBlocks:读取的块数
//Timeout:读取超时设置

5.SDIO外设管理结构体

typedef struct {
SD_TypeDef *Instance; /*!< SDMMC 寄存器基地址*/
SD_InitTypeDef Init; /*!< SD 初始化结构体*/
HAL_LockTypeDef Lock; /*!< SD 锁资源*/
uint32_t *pTxBuffPtr; /*!< 存放发送数据地址的指针*/
uint32_t TxXferSize; /*!< 发送数据的大小 */
uint32_t *pRxBuffPtr; /*!< 存放接受数据地址的指针*/
uint32_t RxXferSize; /*!< 接受数据的大小*/
__IO uint32_t Context; /*!< SDMMC 的工作模式 */
__IO HAL_SD_StateTypeDef State; /*!< SD 卡的状态值*/
__IO uint32_t ErrorCode; /*!< SD 错误操作返回值*/
HAL_SD_CardInfoTypeDef SdCard; /*!< SD 卡的信息*/
uint32_t CSD[4]; /*!< SD 卡的 CSD 寄存器值*/
uint32_t CID[4]; /*!< SD 卡的 CID 寄存器值*/
} SD_HandleTypeDef;

6.SDIO 数据初始化结构体

typedef struct {
uint32_t DataTimeOut; // 数据传输超时
uint32_t DataLength; // 数据长度
uint32_t DataBlockSize; // 数据块大小
uint32_t TransferDir; // 数据传输方向
uint32_t TransferMode; // 数据传输模式
uint32_t DPSM; // 数据路径状态机
} SDIO_DataInitTypeDef;

7.SD卡信息结构体

typedef struct{
uint32_t CardType;                     /*卡种类*/
uint32_t CardVersion;                  /*卡版本*/
uint32_t Class;                        /*卡类*/
uint32_t RelCardAdd;                   /*相对卡地址*/
uint32_t BlockNbr;                     /*以块为单位指定卡容量*/
uint32_t BlockSize;                    /*一个块大小(以字节为单位)*/
uint32_t LogBlockNbr;                  /*以块为单位指定卡逻辑容量*/
uint32_t LogBlockSize;                 /*逻辑块大小(以字节为单位)*/
uint32_t CardSpeed;                    /*卡速度*/
}HAL_SD_CardInfoTypeDef;

五、实验步骤

  1. 把仿真器与iCore3L的SWD调试口相连(直接相连或者通过转接器相连);
  2. 把iCore3L通过Micro USB线与计算机相连,为iCore3L供电;
  3. 打开PuTTY串口终端;
  4. 打开Keil MDK 开发环境,并打开本实验工程;
  5. 烧写程序到iCore3L上;
  6. 也可以进入Debug 模式,单步运行或设置断点验证程序逻辑。

六、实验现象

终端显示出SD卡的相关信息,并输出写入SD卡的数据。

附录

1.安装CH340驱动(双击安装,如果已安装忽略此步)
2.iCore3L供电后,打开计算机——属性——设备管理器——端口 3.打开puTTY 4.烧写程序进行验证

icore3l_arm_16.txt · 最后更改: 2022/03/19 11:01 由 sean