用户工具

站点工具


icore4tx_14
银杏科技有限公司旗下技术文档发布平台
技术支持电话0379-69926675-801
技术支持邮件Gingko@vip.163.com
版本 日期 作者 修改内容
V1.0 2020-07-28 gingko 初次建立





STM32CubeMX教程十四——SDRAM实验




1.在主界面选择File–>New Project 或者直接点击ACCEE TO MCU SELECTOR。 2.出现芯片型号选择,搜索自己芯片的型号,双击型号,或者点击Start Project进入配置在搜索栏的下面,提供的各 种查找方式,可以选择芯片内核,型号,等等,可以帮助你查找芯片。本实验选取的芯片型号为:STM32H750IBKx。 3.配置RCC,使用外部时钟源。 4.时基源选择SysTick。 5.将PA10,PB7,PB8设置为GPIO_Output。 6.引脚模式配置。 7.设置串口。 8.配置FMC 9.在 NVIC Settings 一栏使能接收中断。 10.时钟源设置,选择外部高速时钟源,配置为最大主频。 11.工程文件的设置, 这里就是工程的各种配置 我们只用到有限几个,其他的默认即可。IDE我们使用的是MDK V5.27。 12.点击Code Generator,进行进一步配置。

  • Copy all used libraries into the project folder
  • 将HAL库的所有.C和.H都复制到所建工程中
    • 优点:这样如果后续需要新增其他外设又可能不再用STM32CubeMX的时候便会很方便
    • 缺点:体积大,编译时间很长
  • Copy only the necessary library files
  • 只复制所需要的.C和.H(推荐)
    • 优点:体积相对小,编译时间短,并且工程可复制拷贝
    • 缺点:新增外设时需要重新用STM32CubeMX导入
  • Add necessary library files as reference in the toolchain project configuration file
  • 不复制文件,直接从软件包存放位置导入.C和.H
    • 优点:体积小,比较节约硬盘空间
    • 缺点:复制到其他电脑上或者软件包位置改变,就需要修改相对应的路径
  • 自行选择方式即可

13.然后点击GENERATE CODE创建工程。 创建成功,打开工程。

实验十四:SDRAM实验——读写测试SDRAM

一、 实验目的与意义

  1. 了解STM32 SDRAM结构。
  2. 了解STM32 SDRAM特征。
  3. 掌握SDRAM的使用方法。
  4. 掌握STM32 HAL库中SDRAM属性的配置方法。
  5. 掌握KEILMDK集成开发环境使用方法。

二、 实验设备及平台

  1. iCore4TX 双核心板点击购买
  2. JLINK(或相同功能)仿真器。点击购买
  3. Micro USB线缆。
  4. Keil MDK 开发平台。
  5. STM32CubeMX开发平台。
  6. 装有WIN XP(及更高版本)系统的计算机。

三、 实验原理

1.SDRAM简介

  • 同步动态随机存取内存(synchronous dynamic random-access memory,简称 SDRAM)是有一个同步接口的动态随机存取内存(DRAM)。通常 DRAM 是有一个异步接口的,这样它可以随时响应控制输入的变化。而 SDRAM 有一个同步接口,在响应控制输入前会等待一个时钟信号,这样就能和计算机的系统总线同步。时钟被用来驱动一个有限状态机,对进入的指令进行管线(Pipeline)操作。这使得 SDRAM 与没有同步接口的异 DRAM(asynchronousDRAM)相比,可以有一个更复杂的操作模式。管线意味着芯片可以在处理完之前的指令前,接受一个新的指令。在一个写入的管线中,写入命令在另一个指令执行完之后可以立刻执行,而不需要等待数据写入存储队列的时间。在一个读取的流水线中,需要的数据在读取指令发出之后固定数量的时钟频率后到达,而这个等待的过程可以发出其它附加指令。
  • SDRAM 是多 Bank 结构,例如在一个具有两个 Bank 的 SDRAM 的模组中,其中一个Bank 在进行预充电期间,另一个 Bank 却马上可以被读取,这样当进行一次读取后,又马上去读取已经预充电 Bank 的数据时,就无需等待而是可以直接读取了,这也就大大提高了存储器的访问速度。为了实现这个功能,SDRAM 需要增加对多个 Bank 的管理,实现控制其中的 Bank 进行预充电。在一个具有 2 个以上 Bank 的 SDRAM 中,一般会多一根叫做 BAn的引脚,用来实现在多个 Bank 之间的选择。
  • SDRAM 具有多种工作模式,内部操作是一个复杂的状态机。SDRAM 器件的引脚分为以下几类。
  • (1)控制信号:包括片选、时钟、时钟使能、行列地址选择、读写有效及数据有效。
  • (2)地址信号:时分复用引脚,根据行列地址选择引脚,控制输入的地址为行地址或列地址。
  • (3)数据信号:双向引脚,受数据有效控制。
  • SDRAM的所有操作都同步于时钟。根据时钟上升沿控制管脚和地址输入的状态,可以产生多种输入命令:模式寄存器设置命令、激活命令、预充命令、读命令、写命令、带预充的读命令、带预充的写命令、自动刷新命令、自我刷新命令、突发停命令、空操作命令。根据输入命令,SDRAM状态在内部状态间转移。内部状态包括模式寄存器设置状态、激活状态、预充状态、写状态、读状态、预充读状态、预充写状态、自动刷新状态及自我刷新状态。
  • SDRAM 支持的操作命令有初始化配置、预充电、行激活、读操作、写操作、自动刷新、自刷新等。所有的操作命令通过控制线 CS#、RAS#、CAS#、WE#和地址线、体选地址BA输入。

2.W9825G6JB命令表

3.FMC简介

  • STM32H750使用FMC外设来管理扩展的存储器,FMC是Flexible Memory Controller的缩写,译为可变存储控制器。它可以用于驱动包括 SRAM、SDRAM、NOR FLASH以及NAND FLSAH类型的存储器。
  • FMC 有 6 个存储区域,每个区域支持 256MB 的寻址空间。
  • (1) 存储区域 1 可连接多达 4 个 NOR Flash 或 PSRAM 设备。此存储区域被划分为如下4个NOR/PSRAM子区域,带4个专用片选信号:存储区域 1 NOR/PSRAM 1、存储区域 1 NOR/PSRAM 2、存储区域 1 NOR/PSRAM 3、存储区域 1 NOR/PSRAM 4。
  • (2) 存储区域 2 用于 SDRAM 器件,具体是 SDRAM 存储区域 1 还是 SDRAM 存储区域 2 取决于 BMAP 位配置。
  • (3) 存储区域 3 用于连接 NAND Flash 器件。此空间的 MPU 存储器特性必须通过软件重新配置到器件中。
  • (4) 存储区域 5 和 6 用于连接 SDRAM 器件(每个存储区域 1 个器件)。
  • 对于每个存储区域,所要使用的存储器类型可由用户应用程序通过配置寄存器配置。
  • 本实验使用 FMC 控制 SDRAM。启动时,必须通过用户应用程序对用于连接 FMC SDRAM 控制器与外部 SDRAM 设备的 SDRAM I/O 引脚进行配置。应用程序未使用的 SDRAM 控制器 I/O 引脚可用于其它用途。
  • FMC 的存储区域如图所示:

  • FMC 框图如下:

4.SDRAM的地址映射

  • 两个可用的 SDRAM 存储区域如图:

  • 下表显示了 13 位行和 11 位列配置的 SDRAM 映射。

  • (1) 连接 16 位存储器时, FMC 内部使用 ADDR[11:1]内部地址线进行外部寻址。连接32 位存储器时,FMC 内部使用 ADDR[12:2]地址线进行外部寻址。无论外部存储器的宽度是多少,FMC_A[0]都必须连接到外部存储器地址 A[0]。
  • (2) 不支持 AutoPrecharge。FMC_A[10]必须连接到外部存储器地址 A[10],但始终为低电平。

5.SDRAM 控制寄存器

  • 控制 SDRAM 的有 FMC_SDCR1/FMC_SDCR2 控制寄存器、FMC_SDTR1/FMC_SDTR2时序寄存器、FMC_SDCMR 命令模式寄存器以及FMC_SDRTR 刷新定时器寄存器。其中控制寄存器及时序寄存器各有 2 个,分别对应于 SDRAM 存储区域 1 和存储区域 2 的配置。
  • FMC_SDCR 控制寄存器可配置 SDCLK 的同步时钟频率、突发读使能、写保护、CAS延迟、行列地址位数以及数据总线宽度等。
  • FMC_SDTR 时序寄存器用于配置 SDRAM 访问时的各种时间延迟,如 TRP 行预充电延迟、TMRD 加载模式寄存器激活延迟等。
  • FMC_SDCMR 命令模式寄存器用于存储要发送到 SDRAM 模式寄存器的配置,以及要向 SDRAM 芯片发送的命令。
  • FMC_SDRTR 刷新定时器寄存器用于配置 SDRAM 的自动刷新周期。

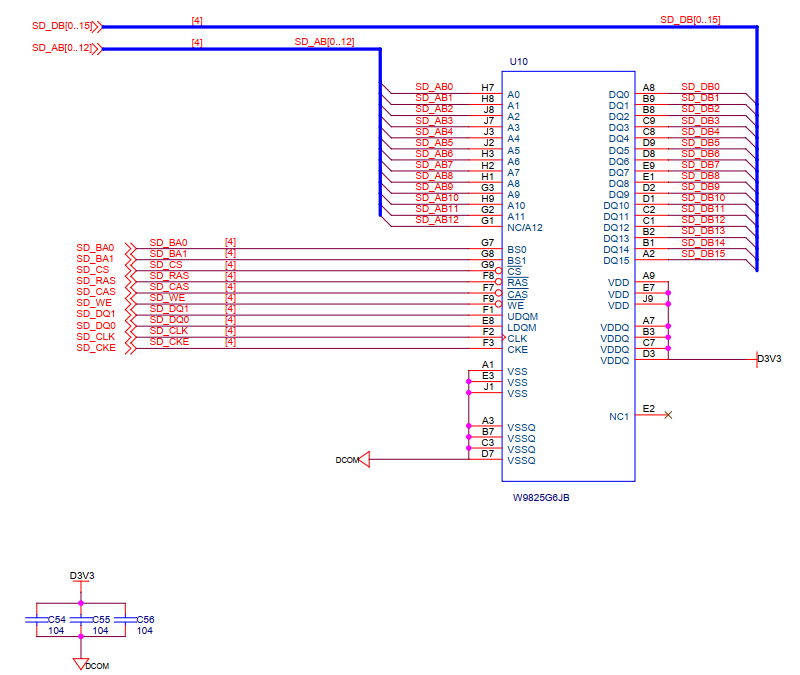
6.原理图

四、 实验程序

1.主函数

int main(void)
{
  int i,j;
  HAL_Init();
  i2c.initialize();
  axp152.initialize();
  axp152.set_dcdc1(3500);//[ARM & FPGA]
  axp152.set_dcdc2(1200);//[FPGA INT]
  axp152.set_dcdc3(3300);//[DCOUT3]
  axp152.set_dcdc4(3300);//[DCOUT4]
  axp152.set_aldo1(3300);//[BK3]
  axp152.set_aldo2(3300);//[ALDOOUT2]
  axp152.set_dldo1(3300);//[BK0]
  axp152.set_dldo2(3300);//[BK1]
  HAL_Delay(200);
  SystemClock_Config();
  MX_GPIO_Init();
  MX_USART2_UART_Init();
  MX_FMC_Init();
  BSP_SDRAM_Init();
  usart2.initialize(115200);
  usart2.printf("\x0c"); //清屏
  usart2.printf("\033[1;32;40m"); //设置终端字体为绿色
  usart2.printf("Hello,I am iCore4TX!\r\n\r\n");
  //向 SDRAM 中写入 0x0000~0xFFFF 并读取校验
  for(j = 0; j < 256; j++){
    for(i = 0;i < 65536;i++){
      write_sdram((65536 * j + i),i);
    }
  }
  for(j = 0; j < 256; j ++){
    for(i = 0;i < 65536;i++){
      if(i != read_sdram((65536 * j + i))){
         usart2.printf("SDRAM ERROR!\r\n");
         while(1){ //测试失败 LED 灯闪烁
            LED_ON;
            HAL_Delay(500);
            LED_OFF;
            HAL_Delay(500);
  }
  usart2.printf("SDRAM TEST OK!\r\n");
  HAL_Delay(1000);
  LED_ON; //测试成功 LED 灯常亮
  while (1)
  {
  }
}            
 

2.SDRAM 初始化函数

uint8_t BSP_SDRAM_Init(void)
{
  static uint8_t sdramstatus = SDRAM_OK;
  /* SDRAM 驱动配置 */
  sdramHandle.Instance = FMC_SDRAM_DEVICE;
  Timing.LoadToActiveDelay = 2;
  Timing.ExitSelfRefreshDelay = 7;
  Timing.SelfRefreshTime = 4;
  Timing.RowCycleDelay = 7;
  Timing.WriteRecoveryTime = 2;
  Timing.RPDelay = 2;
  Timing.RCDDelay = 2;
  sdramHandle.Init.SDBank = FMC_SDRAM_BANK1;
  sdramHandle.Init.ColumnBitsNumber = FMC_SDRAM_COLUMN_BITS_NUM_9;
  sdramHandle.Init.RowBitsNumber = FMC_SDRAM_ROW_BITS_NUM_13;
  sdramHandle.Init.MemoryDataWidth = SDRAM_MEMORY_WIDTH;
  sdramHandle.Init.InternalBankNumber = FMC_SDRAM_INTERN_BANKS_NUM_4;
  sdramHandle.Init.CASLatency = FMC_SDRAM_CAS_LATENCY_3;
  sdramHandle.Init.WriteProtection = FMC_SDRAM_WRITE_PROTECTION_DISABLE;
  sdramHandle.Init.SDClockPeriod = SDCLOCK_PERIOD;
  sdramHandle.Init.ReadBurst = FMC_SDRAM_RBURST_ENABLE;
  sdramHandle.Init.ReadPipeDelay = FMC_SDRAM_RPIPE_DELAY_1;
  /* SDRAM 控制器初始化 */
  BSP_SDRAM_MspInit(&sdramHandle, NULL);
  if(HAL_SDRAM_Init(&sdramHandle, &Timing) != HAL_OK)
  {
    sdramstatus = SDRAM_ERROR;
  }
  else
  {
    /* SDRAM 初始化顺序 */
    BSP_SDRAM_Initialization_sequence(REFRESH_COUNT);
  }
  return sdramstatus;
}

3.SDRAM 读写函数

#define write_sdram(offset,data) *(volatile unsigned short int *)(SDRAM_DEVICE_ADDR + (offset << 1)) = data
#define read_sdram(offset) *(volatile unsigned short int *)(SDRAM_DEVICE_ADDR + (offset << 1))

定义 SDRAM 读写函数

uint8_t BSP_SDRAM_ReadData(uint32_t uwStartAddress, uint32_t *pData,
uint32_t uwDataSize)
{
  if(HAL_SDRAM_Read_32b(&sdramHandle, (uint32_t *)uwStartAddress, pData, uwDataSize) != HAL_OK)
  {
    return SDRAM_ERROR;
  }
  else
  {
    return SDRAM_OK;
  }
}

函数功能:在轮询模式下从 SDRAM 存储器中读取大量数据。 uwStartAddress:读取起始地址。 pData:指向要读取的数据的指针。 uwDataSize:从存储器读取的数据的大小。

uint8_t BSP_SDRAM_WriteData(uint32_t uwStartAddress, uint32_t *pData,uint32_t uwDataSize)
{
  if(HAL_SDRAM_Write_32b(&sdramHandle, (uint32_t *)uwStartAddress, pData, uwDataSize) != HAL_OK)
  {
    return SDRAM_ERROR;
  }
  else
  {
    return SDRAM_OK;
  }
}

功能介绍:在轮询模式下将大量数据写入 SDRAM 存储器。 uwStartAddress:写入起始地址。 pData:指向要写入数据的指针。 uwDataSize:向存储器写入的数据大小。

uint8_t BSP_SDRAM_Sendcmd(FMC_SDRAM_CommandTypeDef *SdramCmd)
{
  if(HAL_SDRAM_SendCommand(&sdramHandle, SdramCmd, SDRAM_TIMEOUT) != HAL_OK)
  {
    return SDRAM_ERROR;
  }
  else
  {
    return SDRAM_OK;
  }
}

功能介绍:向 SDRAM bank 发送命令。 SdramCmd:指向 SDRAM 命令结构的指针

4.FMC初始化函数

void MX_FMC_Init(void)
{ //本实验中我们只用到了 FMC 的引脚,时序配置使用官方提供的 SDRAM 驱动
  FMC_SDRAM_TimingTypeDef SdramTiming = {0};
  /* 执行 SDRAM1 存储器初始化序列 */
  hsdram1.Instance = FMC_SDRAM_DEVICE;
  /* hsdram1 初始化 */
  hsdram1.Init.SDBank = FMC_SDRAM_BANK1;
  hsdram1.Init.ColumnBitsNumber = FMC_SDRAM_COLUMN_BITS_NUM_8;
  hsdram1.Init.RowBitsNumber = FMC_SDRAM_ROW_BITS_NUM_13;
  hsdram1.Init.MemoryDataWidth = FMC_SDRAM_MEM_BUS_WIDTH_16;
  hsdram1.Init.InternalBankNumber = FMC_SDRAM_INTERN_BANKS_NUM_4;
  hsdram1.Init.CASLatency = FMC_SDRAM_CAS_LATENCY_1;
  hsdram1.Init.WriteProtection = FMC_SDRAM_WRITE_PROTECTION_DISABLE;
  hsdram1.Init.SDClockPeriod = FMC_SDRAM_CLOCK_DISABLE;
  hsdram1.Init.ReadBurst = FMC_SDRAM_RBURST_DISABLE;
  hsdram1.Init.ReadPipeDelay = FMC_SDRAM_RPIPE_DELAY_0;
  /* Sdram 时序 */
  SdramTiming.LoadToActiveDelay = 16;
  SdramTiming.ExitSelfRefreshDelay = 16;
  SdramTiming.SelfRefreshTime = 16;
  SdramTiming.RowCycleDelay = 16;
  SdramTiming.WriteRecoveryTime = 16;
  SdramTiming.RPDelay = 16;
  SdramTiming.RCDDelay = 16;
  if (HAL_SDRAM_Init(&hsdram1, &SdramTiming) != HAL_OK)
  {
    Error_Handler( );
  }
}

五、 实验步骤

  1. 把仿真器与iCore4TX的SWD调试口相连(直接相连或者通过转接器相连);
  2. 把iCore4TX通过Micro USB线与计算机相连,为iCore4TX供电;
  3. 打开Keil MDK 开发环境,并打开本实验工程;
  4. 烧写程序到iCore4TX上;
  5. 也可以进入Debug 模式,单步运行或设置断点验证程序逻辑。

六、 实验现象

SDRAM 读写测试成功,LED 常亮,并在终端显示出“SDRAM TEST OK!”。测试失败 LED 灯闪烁,并在终端显示“SDRAM ERROR!”

icore4tx_14.txt · 最后更改: 2022/04/02 11:58 由 sean