用户工具

站点工具


icore4tx_29
银杏科技有限公司旗下技术文档发布平台
技术支持电话0379-69926675-801
技术支持邮件Gingko@vip.163.com
版本 日期 作者 修改内容
V1.0 2020-07-28 gingko 初次建立




STM32CubeMX教程二十九——USB_HID实验


1.在主界面选择File–>New Project 或者直接点击ACCEE TO MCU SELECTOR 2.出现芯片型号选择,搜索自己芯片的型号,双击型号,或者点击Start Project进入配置 在搜索栏的下面,提供的各 种查找方式,可以选择芯片内核,型号,等等,可以帮助你查找芯片。本实验选取的芯片型号为:STM32H750IBKx。 3.配置RCC,使用外部时钟源 4.时基源选择SysTick 5.将PA10,PB7,PB8设置为GPIO_Output 6.将ARM_KEY对应的引脚PH7设置为GPIO_Intput 7.引脚模式配置 8.配置USB_OTG_HS 9.配置USB_DEVICE 10.时钟源设置,选择外部高速时钟源,配置为最大主频 11.工程文件的设置, 这里就是工程的各种配置 我们只用到有限几个,其他的默认即可 IDE我们使用的是 MDK V5.27 12.点击Code Generator,进行进一步配置

  • Copy all used libraries into the project folder
  • 将HAL库的所有.C和.H都复制到所建工程中
    • 优点:这样如果后续需要新增其他外设又可能不再用STM32CubeMX的时候便会很方便
    • 缺点:体积大,编译时间很长
  • Copy only the necessary library files
  • 只复制所需要的.C和.H(推荐)
    • 优点:体积相对小,编译时间短,并且工程可复制拷贝
    • 缺点:新增外设时需要重新用STM32CubeMX导入
  • Add necessary library files as reference in the toolchain project configuration file
  • 不复制文件,直接从软件包存放位置导入.C和.H
    • 优点:体积小,比较节约硬盘空间
    • 缺点:复制到其他电脑上或者软件包位置改变,就需要修改相对应的路径
  • 自行选择方式即可

13.然后点击GENERATE CODE 创建工程 创建成功,打开工程。


实验二十九:USB_HID实验——双向数据传输

一、 实验目的与意义

  1. 了解STM32 USB SLAVE结构。
  2. 了解STM32 USB SLAVE特征。
  3. 掌握USB SLAVE HID的使用方法。
  4. 掌握STM32 HAL库中USB SLAVE属性的配置方法。
  5. 掌握KEIL MDK 集成开发环境使用方法。

二、 实验设备及平台

  1. iCore4TX 双核心板点击购买
  2. JLINK(或相同功能)仿真器。点击购买
  3. Micro USB线缆。
  4. Keil MDK 开发平台。
  5. STM32CubeMX开发平台。
  6. 装有WIN XP(及更高版本)系统的计算机。

三、 实验原理

1.USB HID简介

  • USB HID是Human Interface Device的缩写,由其名称可以了解HID设备是直接与人交互的设备,例如键盘、鼠标与游戏杆等。不过HID设备并不一定要有人机接口,只要符合HID类别规范的设备都是HID设备。
  • 交换的数据存储在称为报表(report)的结构内,设备的固件必须支持HID报表的格式。主机在控制与中断传输中传送与要求报表,来传送与接收数据。报表的格式非常有弹性,可以处理任何类别的数据。
  • 设备除了HID接口之外,它可能同时还包含有其他的USB接口。例如影像显示设备可能使用HID接口来做亮度,对比,与更新率的软件控制,而使用传统的影 像接口来传送要显示的数据。USB扩音器可以使用实时传输来播放语音,同时使用HID接口来控制音量,震荡,与低音等。HID接口通常比传统的控制接口来得便宜。
  • Wndows操作系统最先支持的HID设备。在windows98以及后来的版本中内置有HID设备的驱动程序,应用程序可以直接使用这些驱动程序来与设备通信。
  • 在设计一个USB接口的计算机外部设备时,如果HID类型的设备可以满足需要,可以将其设计为HID类型设备,这样可以省去比较复杂的USB驱动程序的编写,直接利用Windows操作系统对标准的HID类型USB设备的支持。

2.HID设备特点

  • (1) 交换的数据储存在称为报表(Report)的结构内,设备的固件必须支持HID报表的格式。主机通过控制和中断传输中的传送和请求报表来传送和接收数据。报表的格式非常灵活。
  • (2) 每一笔事务可以携带小量或中量的数据。低速设备每一笔事务最大是8B,全速设备每一笔事务最大是64B,高速设备每一笔事务最大是1024B。一个报表可以使用多笔事务。
  • (3) 设备可以在未预期的时间传送信息给主机,例如键盘的按键或是鼠标的移动。所以主机会定时轮询设备,以取得最新的数据。
  • (4) HID设备的最大传输速度有限制。主机可以保证低速的中断端点每10ms内最多1笔事务,每一秒最多是800B。保证全速端点每lms一笔事务,每一秒最多是64000B。保证高速端点每125us三笔事务,每一秒最多是24.576MB。
  • (5) HID设备没有保证的传输速率。如果设备是设置在10ms的时距,事务之间的时间可能等于或小于10ms。除非设备是设置在全速时在每个帧传输数据,或是在高速时在每个微帧传输数据。这是最快的轮询速率,所以端点可以保证有正确的带宽可供使用。
  • HID设备除了传送数据给主机外,它也会从主机接收数据。只要能够符合HID类别规范的设备都可以是HID设备。
  • 设备除了HID接口之外,它可能同时还包含有其他的USB接口。例如影像显示设备可能使用HID接口来做亮度、对比度的软件控制,而使用传统的影像接口来传送要显示的数据。USB扩音器可以使用实时传输来播放语音,同时使用HID接口来控制音量、低音等。
  • HID类别设备的规范文件主要是以下两份:
    • Device Class Definition for Human interface Devices
    • HID Usabe Tables

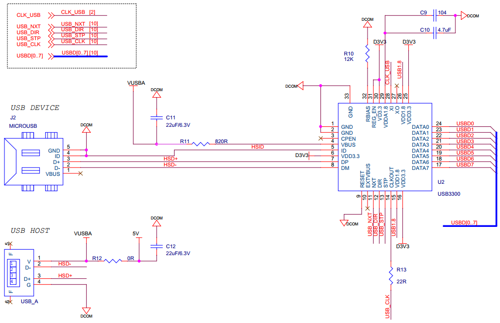
3.原理图

  • USB HID设备无需驱动程序,Windows系统自带HID类的驱动程序。本实验通过移植ST官方提供的代码来实现iCore4TX的USB HID双向数据传输,点击测试软件的灯控按钮来控制iCore4TX上的LED灯的亮灭,实现上位机向下位机传输数据并解析相应命令。按下iCore4TX的ARM-KEY按钮,测试软件显示ARM-KEY的状态,实现了下位机向上位机的数据传输。

四、 实验程序

1.主函数

int main(void)
{
    int i;
    unsigned char buffer[64];
    unsigned char send_buffer[64];
    HAL_Init();
    SystemClock_Config();
 
    i2c.initialize();
    axp152.set_dcdc1(3500);//[ARM & FPGA]
    axp152.set_dcdc2(1200);//[FPGA INT]
    axp152.set_dcdc3(3300);//[DCOUT3]
    axp152.set_dcdc4(3300);//[DCOUT4]
 
    axp152.set_aldo1(3300);//[BK3]
    axp152.set_aldo2(3300);//[ALDOOUT2]
    axp152.set_dldo1(3300);//[BK0]
    axp152.set_dldo2(3300);//[BK1]
    HAL_Delay(200);
 
    MX_GPIO_Init();
    MX_USB_DEVICE_Init();
    LED_OFF;
while (1)
    {
        if(_250ms_flag == 1){
            _250ms_flag = 0;
            if(hUsbDeviceHS.dev_state == USBD_STATE_CONFIGURED){
                memset(send_buffer,0,64);
                if(ARM_KEY_STATE == KEY_DOWN)
                    sprintf((char *)send_buffer,"key:KEY PRESS");
                else
                    sprintf((char *)send_buffer,"key:");
                USBD_HID_SendReport(&hUsbDeviceHS,send_buffer,64);        
            }    
        }
        //接收命令处理
        if(usb_receive_flag == 1){
            usb_receive_flag = 0;
            memcpy(buffer,usb_receive_buffer,usb_receive_counter);
            memset(usb_receive_buffer,0,usb_receive_counter);
            for(i = 0;i < 64;i++){
                buffer[i] = tolower(buffer[i]);
            }
            command_process(buffer);
        }       
    }
}

2.USB_DEVICE初始化函数

void MX_USB_DEVICE_Init(void)
{ 
 /* 初始化USB设备库,添加支持的类并启动该库 */
  if (USBD_Init(&hUsbDeviceHS, &HS_Desc, DEVICE_HS) != USBD_OK)
  {
    Error_Handler();
  }
  if (USBD_RegisterClass(&hUsbDeviceHS, &USBD_HID) != USBD_OK)
  {
    Error_Handler();
  }
  if (USBD_Start(&hUsbDeviceHS) != USBD_OK)
  {
    Error_Handler();
  }
  HAL_PWREx_EnableUSBVoltageDetector();
}

3.USB HID初始化

static uint8_t  USBD_HID_Init (USBD_HandleTypeDef *pdev, 
                               uint8_t cfgidx)
{
  uint8_t ret = 0;
  /* Open EP IN */
  USBD_LL_OpenEP(pdev,
                 HID_EPIN_ADDR,
                 USBD_EP_TYPE_INTR,
                 HID_EPIN_SIZE); 
    /* Open Ep Out */
    USBD_LL_OpenEP(pdev,
                 HID_EPOUT_ADDR,
                 USBD_EP_TYPE_INTR,
                 HID_EPOUT_SIZE); 
    /* 准备输出端点以接收下一个数据包 */
    USBD_LL_PrepareReceive(pdev,
                           HID_EPOUT_ADDR,
                           usb_receive_buffer,
                           HID_EPOUT_SIZE);
  pdev->pClassData = USBD_malloc(sizeof (USBD_HID_HandleTypeDef));
  if(pdev->pClassData == NULL)
  {
    ret = 1; 
  }
  else
  {
    ((USBD_HID_HandleTypeDef *)pdev->pClassData)->state = HID_IDLE;
  }
  return ret;
}

4.USBD_HID_SendReport函数

uint8_t USBD_HID_SendReport     (USBD_HandleTypeDef  *pdev, 
                                 uint8_t *report,
                                 uint16_t len)
{
  USBD_HID_HandleTypeDef     *hhid = (USBD_HID_HandleTypeDef*)pdev->pClassData;
  if (pdev->dev_state == USBD_STATE_CONFIGURED )
  {
    if(hhid->state == HID_IDLE)
    {
      hhid->state = HID_BUSY;
      USBD_LL_Transmit (pdev, 
                        HID_EPIN_ADDR,                                      
                        report,
                        len);
    }
  }
  return USBD_OK;
}

5.USB HID上位机C#部分源码

  * 此上位机测试软件使用Microsoft Visual Studio开发平台编写,用于实现上位机和下位机的双向数据传输,部分源码如下:
<code c>
using System;
using System.Collections.Generic;
using System.ComponentModel;
using System.Data;
using System.Drawing;
using System.Linq;
using System.Text;
using System.Threading.Tasks;
using System.Windows.Forms;
 
namespace usb_hid
{
    public partial class Form1 : Form
    {
        usb_hid_class usbhid = null;
        bool red_flag = true;
 
        public Form1()
        {
            InitializeComponent();
            usbhid = new usb_hid_class();
            button_red_on.Enabled = false;
            usbhid.DataReceived += usb_hid_data_receive;
            usbhid.DeviceRemoved += usb_hid_device_remove;
        }
        void usb_hid_device_remove(object sender, EventArgs e)
        {
            if (InvokeRequired)
            {
                Invoke(new EventHandler(usb_hid_device_remove), new object[] { sender, e });
            }
            else
            {
                MessageBox.Show("设备移除", "提示");
            }
        }
        void usb_hid_data_receive(object sender, EventArgs e)
        {
            int temp;
            string str;
            report myRP = (report)e;
            if (InvokeRequired)
            {
                try
                {
                    Invoke(new EventHandler(usb_hid_data_receive), new object[] { sender, e });
                }
                catch (Exception)
                {
                    return;
                }
            }
            else
            {
                str = usb_hid_class.ByteToHexString(myRP.reportBuff);
                temp = str.IndexOf("key:");
                if (temp >= 0)
                {
                    key_display.Text = str.Substring(4, str.Length - 4);
                    key_display.Select(key_display.TextLength, 0);
                    key_display.ScrollToCaret();
                }
            }
        }
        private void button_connect_Click(object sender, EventArgs e)
        {
            int temp;
            foreach (string device in usbhid.GetDeviceList())
            {
                temp = device.IndexOf("#vid_0483&pid_5720#");
                if (temp >= 0)
                {
                    usbhid.OpenUSBHid(device);
                    button_red_on.Enabled = true;
                    button_green_on.Enabled = true;
                    button_blue_on.Enabled = true;
                    return;
                }
            }
            MessageBox.Show("未发现设备", "提示");
        }
        private void button_red_on_Click(object sender, EventArgs e)
        {
            string data;
            if (red_flag)
            {
                red_flag = false;
                button_red_on.Text = "红灯灭";
                data = " led_red_on";
                while (data.Length < 65)
                {
                    data += ' ';
                }
                usbhid.WriteUSBHID(data);
            }
            else
            {
                red_flag = true;
                button_red_on.Text = "红灯亮";
                data = " led_red_off";
                while (data.Length < 65)
                {
                    data += ' ';
                }
                usbhid.WriteUSBHID(data);
            }
        }
 
        private void Form1_Load(object sender, EventArgs e)
        {
        }
    }
}

五、 实验步骤

  1. 把仿真器与iCore4TX的SWD调试口相连(直接相连或者通过转接器相连);
  2. 把iCore4TX通过Micro USB线与计算机相连,为iCore4TX供电;
  3. 打开Keil MDK 开发环境,并打开本实验工程;
  4. 烧写程序到iCore4TX上;
  5. 也可以进入Debug 模式,单步运行或设置断点验证程序逻辑。
  6. 打开\soft\usb_hid.exe 进行验证。

六、 实验现象

  • 点击测试软件的LED控制按钮,iCore4TX上的LED灯状态将发生变化,按下iCore4TX上的ARM-KEY,按键状态栏将显示按键的状态。(如下图所示)

icore4tx_29.txt · 最后更改: 2022/04/01 11:29 由 sean