用户工具

站点工具


icore4tx_30
银杏科技有限公司旗下技术文档发布平台
技术支持电话0379-69926675-801
技术支持邮件Gingko@vip.163.com
版本 日期 作者 修改内容
V1.0 2020-07-28 gingko 初次建立

STM32CubeMX教程三十——USB_MSC实验

1.在主界面选择File–>New Project 或者直接点击ACCEE TO MCU SELECTOR。 2.出现芯片型号选择,搜索自己芯片的型号,双击型号,或者点击Start Project进入配置在搜索栏的下面,提供的各 种查找方式,可以选择芯片内核,型号,等等,可以帮助你查找芯片。本实验选取的芯片型号为:STM32H750IBKx。 3.配置RCC,使用外部时钟源。 4.时基源选择SysTick。 5.将PA10,PB7,PB8设置为GPIO_Output。 6.引脚模式配置。 7.配置串口。 在NVIC Settings一栏使能接收中断。 引脚配置 8.配置USB_OTG_HS。 9.配置USB_HOST。 10.配置FATFS。 11.时钟源设置,选择外部高速时钟源,配置为最大主频。 12.工程文件的设置, 这里就是工程的各种配置 我们只用到有限几个,其他的默认即可 IDE我们使用的是 MDK V5.27。 13.点击Code Generator,进行进一步配置。

  • Copy all used libraries into the project folder
  • 将HAL库的所有.C和.H都复制到所建工程中
    • 优点:这样如果后续需要新增其他外设又可能不再用STM32CubeMX的时候便会很方便
    • 缺点:体积大,编译时间很长
  • Copy only the necessary library files
  • 只复制所需要的.C和.H(推荐)
    • 优点:体积相对小,编译时间短,并且工程可复制拷贝
    • 缺点:新增外设时需要重新用STM32CubeMX导入
  • Add necessary library files as reference in the toolchain project configuration file
  • 不复制文件,直接从软件包存放位置导入.C和.H
    • 优点:体积小,比较节约硬盘空间
    • 缺点:复制到其他电脑上或者软件包位置改变,就需要修改相对应的路径
  • 自行选择方式即可

14.然后点击GENERATE CODE 创建工程。 创建成功,打开工程。

实验三十:USB_MSC实验——读/写U盘(大容量存储器)

一、 实验目的与意义

  1. 了解STM32 USB HOST结构。
  2. 了解STM32 USB HOST特征。
  3. 掌握USB HOST MSC的使用方法。
  4. 掌握STM32 HAL库中USB HOST属性的配置方法。
  5. 掌握KEILMDK 集成开发环境使用方法。

二、 实验设备及平台

  1. iCore4TX 双核心板点击购买
  2. JLINK(或相同功能)仿真器。点击购买
  3. Micro USB线缆。
  4. Keil MDK 开发平台。
  5. STM32CubeMX开发平台。
  6. 装有WIN XP(及更高版本)系统的计算机。

三、 实验原理

1.USB简介

  • USB,是英文UniversalSerialBUS(通用串行总线)的缩写,而其中文简称为“通串线,是一个外部总线标准,用于规范电脑与外部设备的连接和通讯。是应用在PC领域的接口技术。USB接口支持设备的即插即用和热插拔功能。USB是在1994年底由英特尔、康柏、IBM、Microsoft等多家公司联合提出的。
  • USB发展到现在已经有USB1.0/1.1/2.0/3.0等多个版本。目前用的最多的就是USB1.1和USB2.0,USB3.0目前已经开始普及。STM32H750自带的USB符合USB2.0规范。
  • 标准USB共四根线组成,除VCC/GND外,另外为D+和D-,这两根数据线采用的是差分电压的方式进行数据传输的。在USB主机上,D-和D+都是接了15K的电阻到地的,所以在没有设备接入的时候,D+、D-均是低电平。而在USB设备中,如果是高速设备,则会在D+上接一个1.5K的电阻到VCC,而如果是低速设备,则会在D-上接一个1.5K的电阻到VCC。这样当设备接入主机的时候,主机就可以判断是否有设备接入,并能判断设备是高速设备还是低速设备。接下来,我们简单介绍一下STM32的USB控制器。
  • STM32H750系列芯片自带有2个USB OTG,其中USB1是高速USB(USB1 OTG HS);USB2是全速USB(USB2 OTG FS),高速USB(HS)需要外扩高速PHY芯片实现。

2.OTG主要特性

  • 主要特性可分为三类:通用特性、主机模式特性和从机模式特性。
  • (1) 通用特性
  • OTG_HS接口的通用特性如下:
    • 经USB-IF认证,符合通用串行总线规范第2.0版。
    • OTGHS支持以下PHY接口:
      • 片上全速PHY。
      • 连接外部全速PHY的I2C接口。
      • 连接外部高速PHY的ULPI接口。
    • 模块内嵌的PHY还完全支持定义在标准规范OTG补充第2.0版中的OTG协议。
      • 支持A-B器件识别(ID线)。
      • 支持主机协商协议(HNP)和会话请求协议(SRP)。
      • 允许主机关闭VBUS以在OTG应用中节省电池电量。
      • 支持通过内部比较器对VBUS电平采取OTG监控。
      • 支持主机到从机的角色动态切换。
    • 可通过软件配置为以下角色:
      • 具有SRP功能的USBHS从机(B器件)
      • 具有SRP功能的USBHS/LS主机(A器件)
      • USBOn-The-Go全速双角色设备
    • 支持HSSOF和LSKeep-alive令牌
      • SOF脉冲可通过PAD输出。
      • SOF脉冲通过内部连接到定时器(TIMx)。
      • 可配置的帧周期。
      • 可配置的帧结束中断。
    • OTG_HS内嵌DMA,并可软件配置AHB的批量传输类型。
    • 具有省电功能,例如在USB挂起期间停止系统、关闭数字模块时钟、对PHY和DFIFO电源加以管理。
    • 具有采用高级FIFO控制的4KB专用RAM:
      • 可将RAM空间划分为不同FIFO,以便灵活有效地使用RAM。
      • 每个FIFO可存储多个数据包。
      • 动态分配存储区。
      • FIFO大小可配置为非2的幂次方值,以便连续使用存储单元。
    • 一帧之内可以无需要应用程序干预,以达到最大USB带宽。
    • 它支持电池充电规范第1.2版中介绍的充电端口检测(仅限FSPHY收发器
  • (2) 主机(Host)模式特性
  • OTG_HS接口在主机模式下具有以下主要特性和要求:
    • 通过外部电荷泵生成VBUS电压。
    • 多达16个主机通道(又称之为管道):每个通道都可以动态实现重新配置,可支持任何类型的USB传输。
    • 内置硬件调度器可:
      • 在周期性硬件队列中存储多达16个中断加同步传输请求。
      • 在非周期性硬件队列中存储多达16个控制加批量传输请求。
    • 管理一个共享RxFIFO、一个周期性传输TxFIFO和一个非周期性传输TxFIFO,以有效使用USB数据RAM。
  • (3) 从机(Slave/Device)模式特性
  • OTG_HS接口在从机模式下具有以下特性:
    • 1个双向控制端点0
    • 8个IN端点(EP),可配置为支持批量传输、中断传输或同步传输
    • 8个OUT端点,可配置为支持批量传输、中断传输或同步传输
    • 管理一个共享RxFIFO和一个Tx-OUTFIFO,以高效使用USB数据RAM
    • 管理多达9个专用Tx-INFIFO(分别用于每个使能的INEP),以降低应用程序负荷
    • 支持软断开功能。

3.OTG框图

  • STM32H7中存在两个OTG_HS模块(OTG_HS1和OTG_HS2)。尽管他们都可以编程为HS操作,但只有OTG_HS1具有可访问的ULPI接口,因此允许使用外部HS收发器进行高速操作。

4.OTG_HS中断

  • 当OTG_HS控制器在一种模式下(设备模式或主机模式)工作时,应用程序不得以另一种角色模式访问寄存器。如果发生了非法访问,将会产生模式不匹配中断并在模块中断寄存器(OTG_GINTSTS寄存器中的MMIS位)中反映。当模块从一种角色模式切换到另一种角色模式时,新工作模式下的寄存器必须重新编程为上电复位后的状态。如图显示了中断层级:

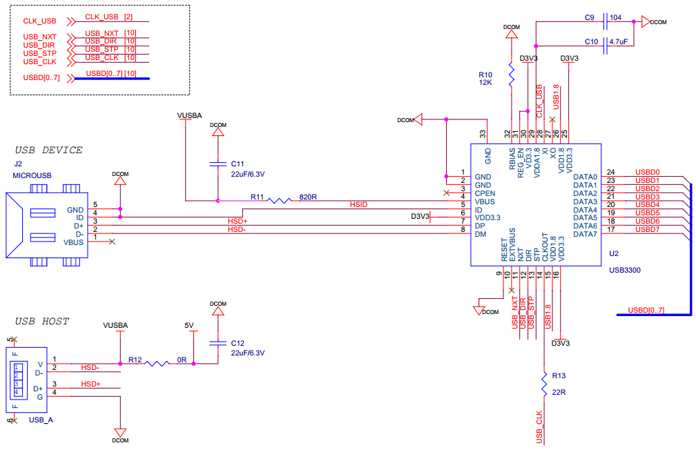
5.原理图

  • 由于STM32不带高速PHY,在这里我们用STM32H750和USB3300连接的方式来实现数据的高速传输。本实验通过移植ST官方提供的代码来实现STM32对U盘或者读卡器等大容量USB存储设备的读写操作。

四、 实验程序

1.主函数

int main(void)
{
    HAL_Init();
    SystemClock_Config();
    i2c.initialize();
    axp152.initialize();
    axp152.set_dcdc1(3500);//[ARM & FPGA]
    axp152.set_dcdc2(1200);//[FPGA INT]
    axp152.set_dcdc3(3300);//[DCOUT3]
    axp152.set_dcdc4(3300);//[DCOUT4]
 
    axp152.set_aldo1(3300);//[BK3]
    axp152.set_aldo2(3300);//[ALDOOUT2]
    axp152.set_dldo1(3300);//[BK0]
    axp152.set_dldo2(3300);//[BK1]
 
    HAL_Delay(200);
    MX_GPIO_Init();
    MX_FATFS_Init();
    MX_USB_HOST_Init();
    MX_USART2_UART_Init();
    LED_ON;
    usart2.printf("\x0c");                  //清屏
    usart2.printf("\033[1;32;40m");         //设置终端字体为绿色
    usart2.printf("\r\nHello, I am iCore4TX.\r\n"); 
    while (1)
    {
      MX_USB_HOST_Process();
     }
 }

2.USB_HOST初始化函数

void MX_USB_HOST_Init(void)
{
  /* 初始化主机库,添加支持的类并启动该库 */
  if (USBH_Init(&hUsbHostHS, USBH_UserProcess, HOST_HS) != USBH_OK)
  {
    Error_Handler();
  }
  if (USBH_RegisterClass(&hUsbHostHS, USBH_MSC_CLASS) != USBH_OK)
  {
    Error_Handler();
  }
  if (USBH_Start(&hUsbHostHS) != USBH_OK)
  {
    Error_Handler();
  }
}

3.USBH_UserProcess函数

static void USBH_UserProcess  (USBH_HandleTypeDef *phost, uint8_t id)
{
    int i,j;
    static FRESULT res;
    unsigned char write_buffer[512];
    unsigned char read_buffer[512];
    unsigned int counter;
 
    switch(id)
    {
    case HOST_USER_SELECT_CONFIGURATION:
    break;
case HOST_USER_DISCONNECTION:
    Appli_state = APPLICATION_DISCONNECT;
    break;
    case HOST_USER_CLASS_ACTIVE:
    Appli_state = APPLICATION_READY;
    //f_mount
    res = f_mount(&fatfs,"0:",1);
    if(res != RES_OK){
        USBH_UsrLog("\r\nf_mount error!");
        while(1){
            LED_ON;
            HAL_Delay(500);
            LED_OFF;
            HAL_Delay(500);    
        }
    }else{
        USBH_UsrLog("\r\nf_mount successful!");
    }   
    //f_open
    for(i = 0; i < 512 ; i ++)write_buffer[i] = i % 256;
    res = f_open(&file,"0:/test.txt",FA_READ | FA_WRITE | FA_OPEN_ALWAYS);   //打开驱动器0上的源文件
     if(res != RES_OK){
        USBH_UsrLog("f_open error!");
        while(1){
            LED_ON;
            HAL_Delay(500);
            LED_OFF;
            HAL_Delay(500);     
        }
    }else{
        USBH_UsrLog("f_open successful!");
    }
    //f_lseek
    res = f_lseek(&file,0);
    if(res != RES_OK){
        USBH_UsrLog("f_lseek error!");
        while(1){
            LED_ON;
            HAL_Delay(500);
            LED_OFF;
            HAL_Delay(500);     
        }   
    }else{
        USBH_UsrLog("f_lseek successful!");
    }
    //f_write
    res = f_write(&file,write_buffer,512,&counter);
    if(res != RES_OK || counter != 512){
        USBH_UsrLog("f_write error!");
        while(1){
            LED_ON;
            HAL_Delay(500);
            LED_OFF;
            HAL_Delay(500);     
        }
    }else{
        USBH_UsrLog("f_write successful!");
    }
    //f_lseek
    res = f_lseek(&file,0);
    if(res != RES_OK){
        USBH_UsrLog("f_lseek error!");
        while(1){
            LED_ON;
            HAL_Delay(500);
            LED_OFF;
            HAL_Delay(500);     
        }   
    }else{
        USBH_UsrLog("f_lseek successful!");
    }
    //f_read
    res = f_read(&file,read_buffer,512,&counter); 
    if(res != RES_OK || counter != 512){
        USBH_UsrLog("f_read error!");
        while(1){
            LED_ON;
            HAL_Delay(500);
            LED_OFF;
            HAL_Delay(500);     
        }   
    }else{
        USBH_UsrLog("f_read successful!");
    }
    f_close(&file);
    USBH_UsrLog("read data:");
    for(i = 0;i < 32;i++){
        for(j = 0; j < 16; j ++)
            usart2.printf("%02X ",read_buffer[i*16+j]);
        usart2.printf("\r\n");
    }   
  break;
  case HOST_USER_CONNECTION:
  Appli_state = APPLICATION_START;
  break;
  default:
  break;
  }
}

五、 实验步骤

  1. 把仿真器与iCore4TX的SWD调试口相连(直接相连或者通过转接器相连);
  2. 把iCore4TX通过Micro USB线与计算机相连,为iCore4TX供电;
  3. 打开PuTTY串口终端;
  4. 打开Keil MDK 开发环境,并打开本实验工程;
  5. 烧写程序到iCore4TX上;
  6. 也可以进入Debug 模式,单步运行或设置断点验证程序逻辑。

六、 实验现象

icore4tx_30.txt · 最后更改: 2022/04/01 11:30 由 sean