用户工具

站点工具


icore4tx_32
银杏科技有限公司旗下技术文档发布平台
技术支持电话0379-69926675-801
技术支持邮件Gingko@vip.163.com
版本 日期 作者 修改内容
V1.0 2020-07-28 gingko 初次建立




STM32CubeMX教程三十二——USB_MSC实验


1.在主界面选择File–>New Project 或者直接点击ACCEE TO MCU SELECTOR 2.出现芯片型号选择,搜索自己芯片的型号,双击型号,或者点击Start Project进入配置 在搜索栏的下面,提供的各 种查找方式,可以选择芯片内核,型号,等等,可以帮助你查找芯片。本实验选取的芯片型号为:STM32H750IBKx。 3.配置RCC,使用外部时钟源 4.时基源选择SysTick 5.将PA10,PB7,PB8设置为GPIO_Output 6.引脚模式配置 7.配置USB_OTG_HS 8.配置USB_DEVICE 9.配置SDMMC1 10.时钟源设置,选择外部高速时钟源,配置为最大主频 11.工程文件的设置, 这里就是工程的各种配置 我们只用到有限几个,其他的默认即可 IDE我们使用的是 MDK V5.27 12.点击Code Generator,进行进一步配置

  • Copy all used libraries into the project folder
  • 将HAL库的所有.C和.H都复制到所建工程中
    • 优点:这样如果后续需要新增其他外设又可能不再用STM32CubeMX的时候便会很方便
    • 缺点:体积大,编译时间很长
  • Copy only the necessary library files
  • 只复制所需要的.C和.H(推荐)
    • 优点:体积相对小,编译时间短,并且工程可复制拷贝
    • 缺点:新增外设时需要重新用STM32CubeMX导入
  • Add necessary library files as reference in the toolchain project configuration file
  • 不复制文件,直接从软件包存放位置导入.C和.H
    • 优点:体积小,比较节约硬盘空间
    • 缺点:复制到其他电脑上或者软件包位置改变,就需要修改相对应的路径
  • 自行选择方式即可

13.然后点击GENERATE CODE 创建工程 创建成功,打开工程。


实验三十二:USB_MSC实验——虚拟U盘(SD卡)

一、 实验目的与意义

  1. 了解STM32 USB SLAVE结构。
  2. 了解STM32 USB SLAVE特征。
  3. 掌握USB SLAVE MSC的使用方法。
  4. 掌握STM32 HAL库中USB SLAVE属性的配置方法。
  5. 掌握KEIL MDK 集成开发环境使用方法。

二、 实验设备及平台

  1. iCore4TX 双核心板点击购买
  2. JLINK(或相同功能)仿真器。点击购买
  3. Micro USB线缆。
  4. Keil MDK 开发平台。
  5. STM32CubeMX开发平台。
  6. 装有WIN XP(及更高版本)系统的计算机。

三、 实验原理

1.SDMMC简介

  • (1) SDMMC指的是SD、SDIO 、MMC卡主机接口,提供APB2外设总线和多媒体卡(MMCs),数字安全记忆卡(SD)和SDIO卡。
  • (2) MMC的全称是”Multi Media Card”――所以也通常被叫做”多媒体卡”,是一种小巧大容量的快闪存储卡,特别应用于移动电话 和数字影像及其他移动终端中。
  • (3) SD卡,数字安全记忆卡(Secure Digital Memory Card),是 用于移动设备的标准记忆卡。SD卡数据传送和物理规范由MMC发 展而来,大小和MMC差不多。长宽和MMC一样,比MMC稍微厚了一点。兼容性方面SD卡向下兼容多媒体卡(Multi Media Card)。
  • (4) SDIO是在SD内存卡接口的基础上发展起来的外设接口,SDIO接 口兼容以前的SD内存卡,并且可以连接SDIO接口的设备。目前,根据SDIO协议的SPEC,SDIO接口支持的设备总类有蓝牙,网卡,电视卡等。

2.USB模块介绍

  • USB模块为PC主机和微控制器所实现的功能之间提供了符合USB规范的通信连接。PC主机和微控制器之间的数据传输是通过共享一专用的数据缓冲区来完成的,该数据缓冲区能被USB外设直接访问。这块专用数据缓冲区的大小由所使用的端点数目和每个端点最大的数据分组大小所决定,每个端点最大可使用512字节缓冲区,最多可用于16个单向或8个双向端点。
  • USB模块同PC主机通信,根据USB规范实现令牌分组的检测,数据发送/接收的处理,和握手分组的处理。整个传输的格式由硬件完成,其中包括CRC的生成和校验。每个端点都有一个缓冲区描述块,描述该端点使用的缓冲区地址、大小和需要传输的字节数。当USB模块识别出一个有效的功能/端点的令牌分组时,(如果需要传输数据并且端点已配置)随之发生相关的数据传输。
  • USB模块通过一个内部的16位寄存器实现端口与专用缓冲区的数据交换。在所有的数据传输完成后,如果需要,则根据传输的方向,发送或接收适当的握手分组。在数据传输结束时,USB模块将触发与端点相关的中断,通过读状态寄存器和/或者利用不同的中断处理程序,微控制器可以确定:哪个端点需要得到服务;产生如位填充、格式、CRC、协议、缺失ACK、缓冲区溢出/缓冲区未满等错误时,正在进行的是哪种类型的传输。

3.USB MSC简介

  • USB大容量存储设备(英语:USB mass storage device class,也称为USB MSC或UMS)是一个协议,允许一个USB接口的设备与主计算设备相连接,以便在两者之间传输文件。对于主计算设备来说,USB设备看起来就像一个移动硬盘,允许拖放型文件传送。它实际上是由USB实施者论坛所通过许多通讯协议的汇总,这一标准提供了许多设备的界面。包括移动硬盘、闪存盘、移动光学驱动器、读卡器、数码相机、数码音乐播放器、PDA以及手机等等。

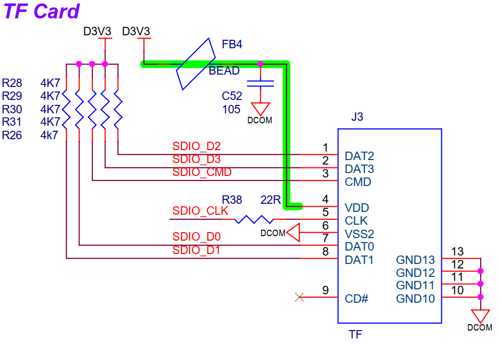
4.原理图

  • 本实验利用SD卡虚拟U盘,用USB线连接PC机与开发板,在电脑上就可以像操作普通U盘那样来操作开发板中的MicroSD卡。

四、 实验程序

1.主函数

int main(void)
{
    uint8_t sd_state = HAL_OK;
 
    HAL_Init();
    SystemClock_Config();
    i2c.initialize();
 
    axp152.initialize();
    axp152.set_dcdc1(3500);//[ARM & FPGA]
    axp152.set_dcdc2(1200);//[FPGA INT]
    axp152.set_dcdc3(3300);//[DCOUT3]
    axp152.set_dcdc4(3300);//[DCOUT4]
 
    axp152.set_aldo1(3300);//[BK3]
    axp152.set_aldo2(3300);//[ALDOOUT2]
    axp152.set_dldo1(3300);//[BK0]
    axp152.set_dldo2(3300);//[BK1]
    HAL_Delay(200);
 
    MX_GPIO_Init();
    MX_SDMMC1_SD_Init();
    MX_USB_DEVICE_Init();
    sd_state = HAL_SD_Init(&hsd1);
    /* 配置SD总线宽度(选择4位模式) */
    if (sd_state == HAL_OK)
    {
    if (HAL_SD_ConfigWideBusOperation(&hsd1, SDMMC_BUS_WIDE_4B) != HAL_OK)
    {
      sd_state = HAL_ERROR;
    }
   }
   LED_ON;
   while (1)
  {
  }
}

2.SDMMC1初始化函数

void MX_SDMMC1_SD_Init(void)
{
  hsd1.Instance = SDMMC1;
  hsd1.Init.ClockEdge = SDMMC_CLOCK_EDGE_RISING;
  hsd1.Init.ClockPowerSave = SDMMC_CLOCK_POWER_SAVE_DISABLE;
  hsd1.Init.BusWide = SDMMC_BUS_WIDE_4B;
  hsd1.Init.HardwareFlowControl = SDMMC_HARDWARE_FLOW_CONTROL_DISABLE;
  hsd1.Init.ClockDiv = 10;
  hsd1.Init.TranceiverPresent = SDMMC_TRANSCEIVER_NOT_PRESENT;
  if (HAL_SD_Init(&hsd1) != HAL_OK)
  {
    Error_Handler();
  }
}
void HAL_SD_MspInit(SD_HandleTypeDef* sdHandle)
{
  GPIO_InitTypeDef GPIO_InitStruct = {0};
  if(sdHandle->Instance==SDMMC1)
  {
    /* SDMMC1时钟使能 */
    __HAL_RCC_SDMMC1_CLK_ENABLE();
    __HAL_RCC_GPIOC_CLK_ENABLE();
    __HAL_RCC_GPIOD_CLK_ENABLE();
    /**SDMMC1引脚配置  
    PC12     ------> SDMMC1_CK
    PC11     ------> SDMMC1_D3
    PC10     ------> SDMMC1_D2
    PD2     ------> SDMMC1_CMD
    PC9     ------> SDMMC1_D1
    PC8     ------> SDMMC1_D0 
    */
    GPIO_InitStruct.Pin = GPIO_PIN_12|GPIO_PIN_11|GPIO_PIN_10|GPIO_PIN_9 
                          |GPIO_PIN_8;
    GPIO_InitStruct.Mode = GPIO_MODE_AF_PP;
    GPIO_InitStruct.Pull = GPIO_NOPULL;
    GPIO_InitStruct.Speed = GPIO_SPEED_FREQ_VERY_HIGH;
    GPIO_InitStruct.Alternate = GPIO_AF12_SDIO1;
    HAL_GPIO_Init(GPIOC, &GPIO_InitStruct);
    GPIO_InitStruct.Pin = GPIO_PIN_2;
    GPIO_InitStruct.Mode = GPIO_MODE_AF_PP;
    GPIO_InitStruct.Pull = GPIO_NOPULL;
    GPIO_InitStruct.Speed = GPIO_SPEED_FREQ_VERY_HIGH;
    GPIO_InitStruct.Alternate = GPIO_AF12_SDIO1;
    HAL_GPIO_Init(GPIOD, &GPIO_InitStruct);
  }
}

3.STORAGE_Read_HS函数

int8_t STORAGE_Read_HS(uint8_t lun, uint8_t *buf, uint32_t blk_addr, uint16_t blk_len)
{
    uint32_t timeout = 10000;
    if(HAL_SD_ReadBlocks(&hsd1,(uint8_t*)buf, blk_addr, blk_len, timeout) == USBD_OK){
            while(((HAL_SD_GetCardState(&hsd1) == HAL_SD_CARD_TRANSFER ) ? HAL_OK : HAL_ERROR) != HAL_OK)
            {
                if (timeout-- == 0)
                {
                    return -1;
                }
            }
    }   
  return (USBD_OK);
}

4.STORAGE_Write_HS函数

int8_t STORAGE_Write_HS(uint8_t lun, uint8_t *buf, uint32_t blk_addr, uint16_t blk_len)
{
    uint32_t timeout = 10000;
    if(HAL_SD_WriteBlocks(&hsd1,(uint8_t*)buf, blk_addr, blk_len, timeout) == USBD_OK){
            while(((HAL_SD_GetCardState(&hsd1) == HAL_SD_CARD_TRANSFER ) ? HAL_OK : HAL_ERROR) != HAL_OK)
            {
                if (timeout-- == 0)
                {
                    return -1;
                }
            }
    }
  return (USBD_OK);
}

五、 实验步骤

  1. 把仿真器与iCore4TX的SWD调试口相连(直接相连或者通过转接器相连);
  2. 把iCore4TX通过Micro USB线与计算机相连,为iCore4TX供电;
  3. 打开Keil MDK 开发环境,并打开本实验工程;
  4. 烧写程序到iCore4TX上;
  5. 也可以进入Debug 模式,单步运行或设置断点验证程序逻辑。

六、 实验现象

  • 在我的电脑中可以虚拟出一个磁盘进行文件操作,如下图:

icore4tx_32.txt · 最后更改: 2022/04/01 11:30 由 sean