用户工具

站点工具


icore4tx_40
银杏科技有限公司旗下技术文档发布平台
技术支持电话0379-69926675-801
技术支持邮件Gingko@vip.163.com
版本 日期 作者 修改内容
V1.0 2020-9-30 fmj 初次建立





STM32CubeMX教程四十——LWIP_TCP_SERVER以太网数据传输

1. 在主界面选择File–>New Project或者直接点击ACCEE TO MCU SELECTOR

2. 出现芯片型号选择,搜索自己芯片的型号,双击型号,或者点击Start Project进入配置在搜索栏的下面,提供的各种查找方式,可以选择芯片内核,型号,等等,可以帮助你查找芯片。本实验选取的芯片型号为:STM32H750IBKx。 3. 配置RCC,使用外部时钟源 4. 配置调试引脚 5. 将PA10,PB7,PB8设置为GPIO_Output 6. 引脚模式配置 7. 配置以太网 8. 时钟设置,选择外部高速时钟源,配置为最大主频 9. 工程文件的设置, 这里就是工程的各种配置 我们只用到有限几个,其他的默认即可 IDE我们使用的是 MDK5.27 10. 点击Code Generator,进行进一步配置

  • Copy all used libraries into the project folder
  • 将HAL库的所有.C和.H都复制到所建工程中
    • 优点:这样如果后续需要新增其他外设又可能不再用STM32CubeMX的时候便会很方便
    • 缺点:体积大,编译时间很长
  • Copy only the necessary library files
  • 只复制所需要的.C和.H(推荐)
    • 优点:体积相对小,编译时间短,并且工程可复制拷贝
    • 缺点:新增外设时需要重新用STM32CubeMX导入
  • Add necessary library files as reference in the toolchain project configuration file
  • 不复制文件,直接从软件包存放位置导入.C和.H
    • 优点:体积小,比较节约硬盘空间
    • 缺点:复制到其他电脑上或者软件包位置改变,就需要修改相对应的路径
  • 自行选择方式即可

11. 然后点击GENERATE CODE 创建工程 创建成功,打开工程。

实验四十:LWIP_TCP_SERVER以太网数据传输

一、 实验目的与意义

  1. 了解LwIP协议栈和LAN8720物理层。
  2. 掌握TCP SERVER的使用方法。
  3. 掌握STM32 HAL库中ETH的配置方法。
  4. 掌握KEILMDK 集成开发环境使用方法。

二、 实验设备及平台

  1. iCore4T 双核心板及底板;
  2. JLINK(或相同功能)仿真器;
  3. Micro USB线缆、网线
  4. Keil MDK 开发平台;
  5. STM32CubeMX开发平台
  6. 装有WIN XP(及更高版本)系统的计算机。

三、 实验原理

1.LwIP简介

  • LwIP是Light Weight (轻型)IP协议,有无操作系统的支持都可以运行。LwIP实现的重点是在保持TCP协议主要功能的基础上减少对RAM 的占用,它只需十几KB的RAM和40K左右的ROM就可以运行,这使LwIP协议栈适合在低端的嵌入式系统中使用。
  • LwIP协议栈主要关注的是怎么样减少内存的使用和代码的大小,这样就可以让LwIP适用于资源有限的小型平台例如嵌入式系统。为了简化处理过程和内存要求,LwIP对API进行了裁减,可以不需要复制一些数据。
  • LwIP提供三种API:1)RAW API 2)LwIP API 3)BSD API。
  • RAW API把协议栈和应用程序放到一个进程里边,该接口基于函数回调技术,使用该接口的应用程序可以不用进行连续操作。不过,这会使应用程序编写难度加大且代 码不易被理解。为了接收数据,应用程序会向协议栈注册一个回调函数。该回调函数与特定的连接相关联,当该关联的连接到达一个信息包,该回调函数就会被协议 栈调用。这既有优点也有缺点。优点是既然应用程序和TCP/IP协议栈驻留在同一个进程中,那么发送和接收数据就不再产生进程切换。主要缺点是应用程序不 能使自己陷入长期的连续运算中,这样会导致通讯性能下降,原因是TCP/IP处理与连续运算是不能并行发生的。这个缺点可以通过把应用程序分为两部分来克 服,一部分处理通讯,一部分处理运算。
  • LwIP API把接收与处理放在一个线程里面。这样只要处理流程稍微被延迟,接收就会被阻塞,直接造成频繁丢包、响应不及时等严重问题。因此,接收与协议处理必须 分开。LwIP的作者显然已经考虑到了这一点,他为我们提供了 tcpip_input() 函数来处理这个问题, 虽然他并没有在 rawapi 一文中说明。讲到这里,读者应该知道tcpip_input()函数投递的消息从哪里来的答案了吧,没错,它们来自于由底层网络驱动组成的接收线程。我们在编写网络驱动时, 其接收部分以任务的形式创建。 数据包到达后, 去掉以太网包头得到IP包, 然后直接调用tcpip_input()函数将其 投递到mbox邮箱。投递结束,接收任务继续下一个数据包的接收,而被投递得IP包将由TCPIP线程继续处理。这样,即使某个IP包的处理时间过长也不 会造成频繁丢包现象的发生。这就是LwIP API。
  • BSD API提供了基于open-read-write-close模型的UNIX标准API,它的最大特点是使应用程序移植到其它系统时比较容易,但用在嵌入式系统中效率比较低,占用资源多。这对于我们的嵌入式应用有时是不能容忍的。
  • 其主要特性如下:
  1. 支持多网络接口下的IP转发;
  2. 支持ICMP协议;
  3. 包括实验性扩展的UDP(用户数据报协议);
  4. 包括阻塞控制、RTT 估算、快速恢复和快速转发的TCP(传输控制协议);
  5. 提供专门的内部回调接口(Raw API),用于提高应用程序性能;
  6. 可选择的Berkeley接口API (在多线程情况下使用) ;
  7. 在最新的版本中支持ppp;
  8. 新版本中增加了的IP fragment的支持;
  9. 支持DHCP协议,动态分配ip地址。

2.TCP/IP协议

  • TCP/IP中文名为传输控制协议/因特网互联协议,又名网络通讯协议,是Internet最基本的协议、Internet国际互联网络的基础,由网络层的IP协议和传输层的TCP协议组成。TCP/IP定义了电子设备如何连入因特网,以及数据如何在它们之间传输的标准。协议采用了4层的层级结构,每一层都呼叫它的下一层所提供的协议来完成自己的需求。通俗而言:TCP负责发现传输的问题,一有问题就发出信号,要求重新传输,直到所有数据安全正确地传输到目的地。而IP是给因特网的每一台联网设备规定一个地址。
  • TCP/IP协议不是TCP和IP这两个协议的合称,而是指因特网整个TCP/IP协议族。从协议分层模型方面来讲,TCP/IP由四个层次组成:网络接口层、网络层、传输层、应用层。OSI是传统的开放式系统互连参考模型,该模型将TCP/IP分为七层:物理层、数据链路层(网络接口层)、网络层(网络层)、传输层(传输层)、会话层、表示层和应用层(应用层)。TCP/IP模型与OSI模型对比如图所示。

3.STM32H750以太网简介

  • STM32H750芯片自带以太网模块,通过工业介质独立接口(MII)或简化独立接口(RMII)为以太网LAN通信提供符合IEEE-802.3-2002的媒体访问控制器(MAC)。微控制器需要一个外部物理接口设备(PHY)连接到物理LAN总线。PHY使用17个信号(用于MII)或9个信号(用于RMII)连接到设备MII端口,并且可以使用来自微控制器的25MHz(MII)时钟。
  • STM32H750自带以太网模块特点包括:
  1. 实现10M/100Mbit/s的数据传输速率;
  2. 专用DMA控制器允许专用SRAM之间高速传输;
  3. 标明MAC支持(VLAN支持);
  4. 通过符合IEEE802.3的MII/RMII接口与外部以太网PHY进行通信;
  5. 支持全双工和半双工操作;
  6. MAC控制子层(控制帧)支持;
  7. 32位CRC生成和删除;
  8. 支持多种灵活的地址过滤模式;
  9. 每次发送或接收32位状态码;
  10. 提供接收和发送两组FIFO;
  11. 通过SMI(MDIO)接口配置和管理PHY设备;
  12. 支持以太网时间戳(参见IEEE1588-2008),时间戳比较器连接到TIM2输入;
  13. 当系统时间大于目标时间时触发中断。
  14. 支持DMA。
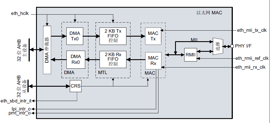
  • STM32H750以太网功能框图,如图所示:

4.LAN8720A简介

  • LAN8720A功能框图如图所示:

  • LAN8720A是低功耗的10/100M以太网PHY层芯片,I/O引脚电压符合IEEE802.3-2005标准,支持通过RMII接口与以太网MAC层通信,内置10-BASE-T/100BASE-TX全双工传输模块,支持10Mbps和100Mbps。
  • LAN8720A可以通过自协商的方式与目的主机最佳的连接方式(速度和双工模式),支持HPAuto-MDIX自动翻转功能,无需更换网线即可将连接更改为直连或交叉连接。LAN8720A的主要特点如下:
  1. 高性能的10/100M以太网传输模块
  2. 支持RMII接口以减少引脚数
  3. 支持全双工和半双工模式
  4. 两个状态LED输出
  5. 可以使用25M晶振以降低成本
  6. 支持自协商模式
  7. 支持HPAuto-MDIX自动翻转功能
  8. 支持SMI串行管理接口
  9. 支持MAC接口

5.原理图

  • iCore4T带有LAN8720A嵌入式以太网控制器,本实验实现TCP客户端功能。以PC作为服务器,iCore4T作为客户端,PC的IP地址192.168.0.1,端口号为60001,iCore4T的IP地址为192.168.0.10,端口随机。当客户端连接到服务器,TCP建立成功即可进行数据信息传输。实验原理图如下

四、 实验程序

1.主函数

 //LWIP初始化
NETMPU_Config();
lwip.initialize();
eth_tcpc.initialize();
while (1)
{
	if((cnt ++ / 800000) % 2){
		LED_RED_ON;
	}else{
		LED_RED_OFF;
	}
	lwip.periodic_handle();
	//tcp server test
	//支持热插拔
	if(_second_flag == 1){
		_second_flag = 0;
		if(lan8720.GetLinkState() == LAN8720_STATUS_LINK_DOWN){
			eth_tcps.first_flag = 0;
			if(eth_tcps.first_flag_1 ++ == 0){
				eth_tcps.connection_close(eth_tcps.tcppcbnew,NUL	L);
				eth_tcps.connection_close(eth_tcps.tcppcbconn,NULL);
				eth_tcps.remove_timewait();
			}
		}else{
			eth_tcps.first_flag_1 = 0;
			if(eth_tcps.first_flag ++ == 0){
				eth_tcps.initialize();
			}
		}
	}
	if(eth_tcps.receive_ok_flag == 1){
		eth_tcps.receive_ok_flag = 0;
		eth_tcps.send_data(eth_tcps.tcppcbnew);
	}
 }

2.LwIP初始化

unsigned char initialize(void)
{
  unsigned char retry = 0;
	Struct netif *Netif_Init_Flag;//调用netif_add()函数时的返回值,用于判断网络初始化是否成功
	struct ip_addr ipaddr;  			//ip地址
	struct ip_addr netmask; 			//子网掩码
	struct ip_addr gw;      			//默认网关
 
	while(lan8720.initialize()){ 	    //初始化LAN8720,如果失败的话就重试5次
		retry++;
		if(retry > 5){
			retry = 0;
		  return 3;
		} //LAN8720初始化失败
	}
	lwip_init();						//初始化LWIP内核	
	IP4_ADDR(&ipaddr,lan8720.ip[0],lan8720.ip[1],lan8720.ip[2],lan8720.ip[3]);
	IP4_ADDR(&netmask,lan8720.sub[0],lan8720.sub[1] ,lan8720.sub[2],lan8720.sub[3]);
	IP4_ADDR(&gw,lan8720.gw[0],lan8720.gw[1],lan8720.gw[2],lan8720.gw[3]);
	Netif_Init_Flag=netif_add(&lwip_netif,&ipaddr,&netmask,&gw,NULL,&ethernetif_init,&ethernet_input); //向网卡列表中添加一个网口	
	if(Netif_Init_Flag==NULL){
		return 4;         //网卡添加失败
	}else{                 //网口添加成功后,设置netif为默认值,并且打开netif网口
		netif_set_default(&lwip_netif);//设置netif为默认网口
		netif_set_up(&lwip_netif);		 //打开netif网口
	}
 
	return 0;//操作OK
}

3.eth_tcps初始化

void initialize(void)
{
	eth_tcps.tcpc_pcb = tcp_new();	  //该函数简单的调用tcp_alloc函数为一个谅解分配一个TCP控制块tcp_pcb。tcp_alloc函数首先为新的tcp_pcb分配内存空间,若内存空间不足,则函数会释放出新的pcb空间。
	tcp_bind(eth_tcps.tcppcbnew,IP_ADDR_ANY,TCP_SERVER_PORT);	
	eth_tcps.tcppcbconn=tcp_listen(eth_tcps.tcppcbnew);	
	tcp_accept(eth_tcps.tcppcbconn,tcp_server_accept);
}

五、 实验步骤

  1. 把仿真器与iCore4T的SWD调试口相连(直接相连或者通过转接器相连);
  2. 把iCore4T插在扩展底板上,通过扩展底板供电给iCore4T;
  3. 把iCore4T扩展底板网口通过网线与计算机网口相连;
  4. 设置电脑IP地址(见附录1);
  5. 打开Keil MDK 开发环境,并打开本实验工程;
  6. 打开TCP&UDP测试工具;(安装及使用方法件附录2)
  7. 烧写程序到iCore4T上;
  8. 也可以进入Debug 模式,单步运行或设置断点验证程序逻辑。
  • 注:STM32H750 ETH默认使用DMA功能。但是DTCM虽然和其他的MCU和RAM起始地址一样,却无法被DMA访问。也就是通用RAM的地址变了,但是编译器还是会把DTCM的地址作为通用RAM的起始地址。请将内存起始地址修改为D1域,操作步骤如图所示,也就是在RAM2上打勾。

六、 实验现象

  • 在发送区编辑完要发送的数据信息后,点击发送即可收到发送的数据包。如图所示:

附录1:电脑IP设置

  • 打开控制面板→网络和 Internet→网络和共享中心→更改适配器设置→以太网属性

  • Internet协议版本4,选择使用下面的IP地址,然后更改IP地址和默认网关

附录2

  • 1、TCP&UDP测试工具安装
    • 双击TCP&UDPDebug102_setup.exe,点击下一步,在这里安装路径默认即可,点击安装。
  • 2、TCP&UDP测试工具的使用
  • (1)打开测试工具,点击创建连接,弹出设置端口的窗口,如下图设置

  • (2)客户端已经创建完成(如下图),点击连接。

  • (3)iCore4T服务器自动连接服务器,即可通信。(若连接不成功,请关闭电脑防火墙)
icore4tx_40.txt · 最后更改: 2022/04/01 11:32 由 sean